授权公布号:CN217620350U
一种力转角传递装置
有效
申请
2022-05-13
申请公布
1970-01-01
授权
2022-10-21
预估到期
2032-05-13
| 申请号 | CN202221140784.4 |
| 申请日 | 2022-05-13 |
| 授权公布号 | CN217620350U |
| 授权公告日 | 2022-10-21 |
| 分类号 | B25B27/02 |
| 分类 | 手动工具;轻便机动工具;手动器械的手柄;车间设备;机械手; |
| 申请人名称 | 西山煤电(集团)有限责任公司 |
| 申请人地址 | 山西省太原市万柏林区西矿街335号 |
专利法律状态
2022-10-21
授权
状态信息
授权
摘要
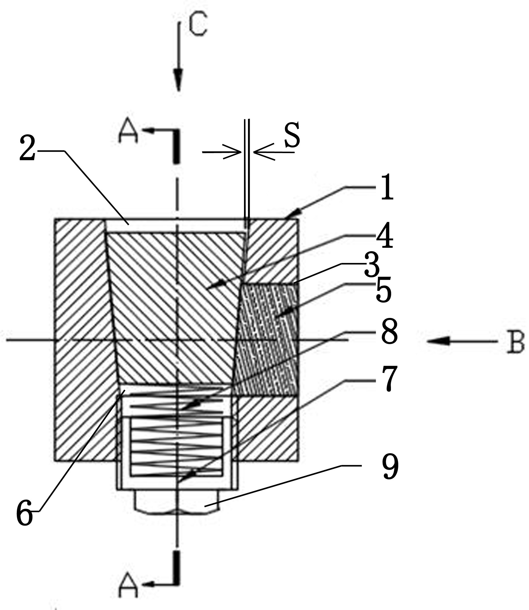
本实用新型涉及用于力转角的辅助装置,具体为一种力转角传递装置,解决了背景技术中的技术问题,其包括圆柱体钢块,圆柱体钢块的侧壁上开有倒梯形凹槽,圆柱体钢块的其中一个端面上开有与倒梯形凹槽的侧壁相连通的通孔;倒梯形凹槽中放置有与其适配的梯形斜块,通孔中放置有轴斜块,轴斜块的内端面与梯形斜块的侧壁齐平,轴斜块的外端面与圆柱体钢块的端面齐平,倒梯形凹槽的槽底开有与圆柱体钢块的侧壁相连通的丝孔,丝孔配合有中空螺栓,中空螺栓中安装有用于支撑梯形斜块的压力弹簧,丝孔的轴线、压力弹簧的轴线以及梯形斜块的轴线均位于同一条直线上。通过所述述力转角传递装置能够将力的方向转变90°,同时还可增幅。


