授权公布号:CN109534033B
用于拾取坯料样品的装置、用于修整片材形元件的机器以及拾取坯料的方法
有效
申请
2017-09-22
申请公布
2019-03-29
授权
2020-06-30
预估到期
2037-09-22
| 申请号 | CN201710866482.2 |
| 申请日 | 2017-09-22 |
| 申请公布号 | CN109534033A |
| 申请公布日 | 2019-03-29 |
| 授权公布号 | CN109534033B |
| 授权公告日 | 2020-06-30 |
| 分类号 | B65H5/10;B65H5/14 |
| 分类 | 输送;包装;贮存;搬运薄的或细丝状材料; |
| 申请人名称 | 博斯特(上海)有限公司 |
| 申请人地址 | 上海市松江区松江工业区松东路330号 |
专利法律状态
2020-06-30
授权
状态信息
授权
2019-04-23
实质审查的生效
状态信息
实质审查的生效IPC(主分类):B65H 5/10
2019-03-29
公布
状态信息
公布
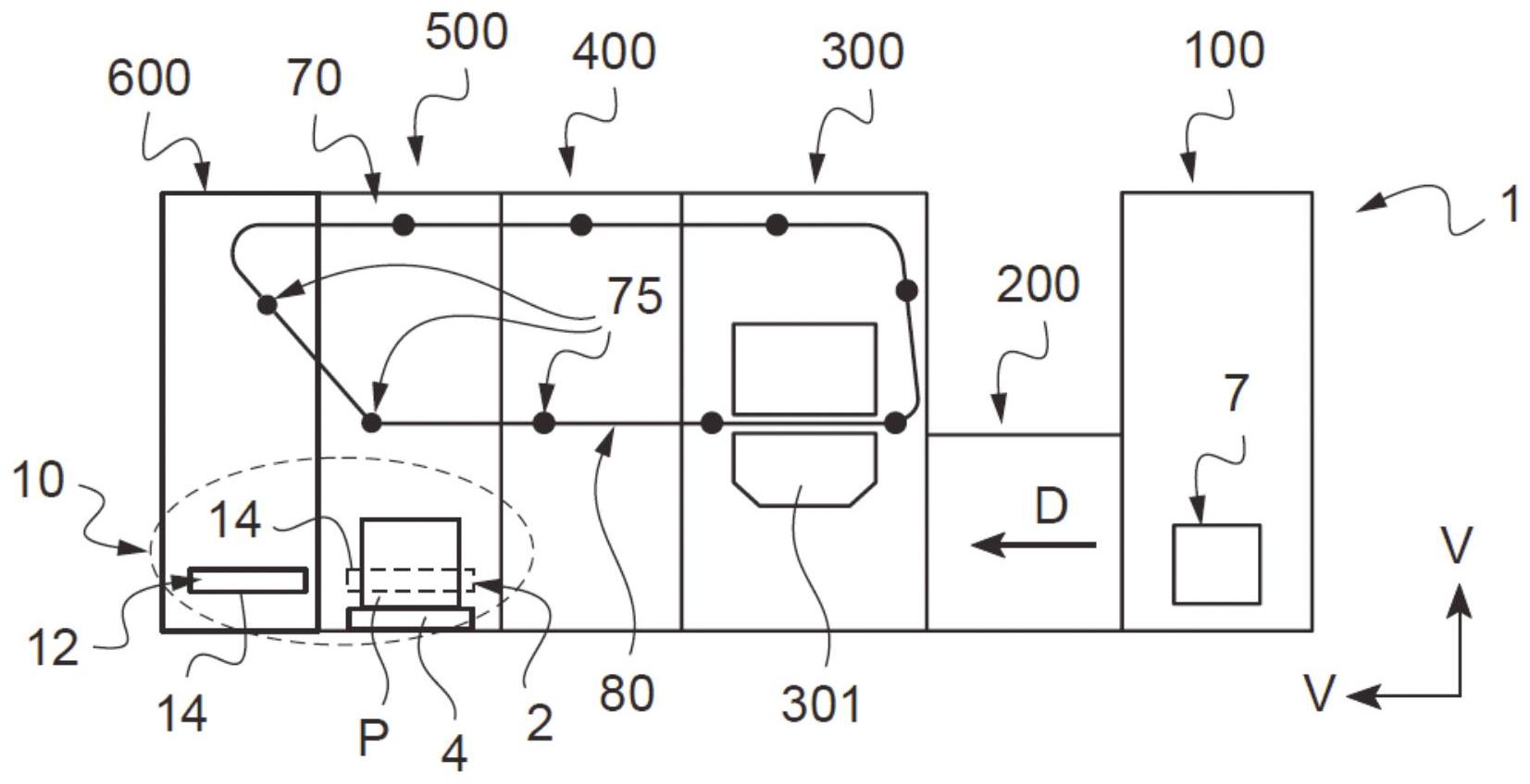
摘要
本发明涉及用于在修整机(1)中拾取坯料(P)样品的装置(10),其特征在于,包括:‑移动托架(12),该移动托架(12)包括在缩回位置和在坯料(P)的片材堆上方的修整机(1)的接收区域(2)中的展开位置之间移动的支承件(14),以及‑至少一个抓持单元(30),所述至少一个抓持单元(30)设置在支承件(14)的下表面上,从而在移动托架(12)的展开位置中抓持坯料(P)的片材堆上的坯料(P)。本发明还涉及用于修整片材形式的元件的机器以及用于在修整片材的机器的接收区域中拾取坯料的方法。


