授权公布号:CN219706478U
气动锥顶夹料的气路安全控制装置
有效
申请
2022-12-15
申请公布
1970-01-01
授权
2023-09-19
预估到期
2032-12-15
| 申请号 | CN202223374585.2 |
| 申请日 | 2022-12-15 |
| 授权公布号 | CN219706478U |
| 授权公告日 | 2023-09-19 |
| 分类号 | B41F33/00 |
| 分类 | 印刷;排版机;打字机;模印机〔4〕; |
| 申请人名称 | 陕西北人印刷机械有限责任公司 |
| 申请人地址 | 陕西省渭南市高新区东风大街西段71号 |
专利法律状态
2023-09-19
授权
状态信息
授权
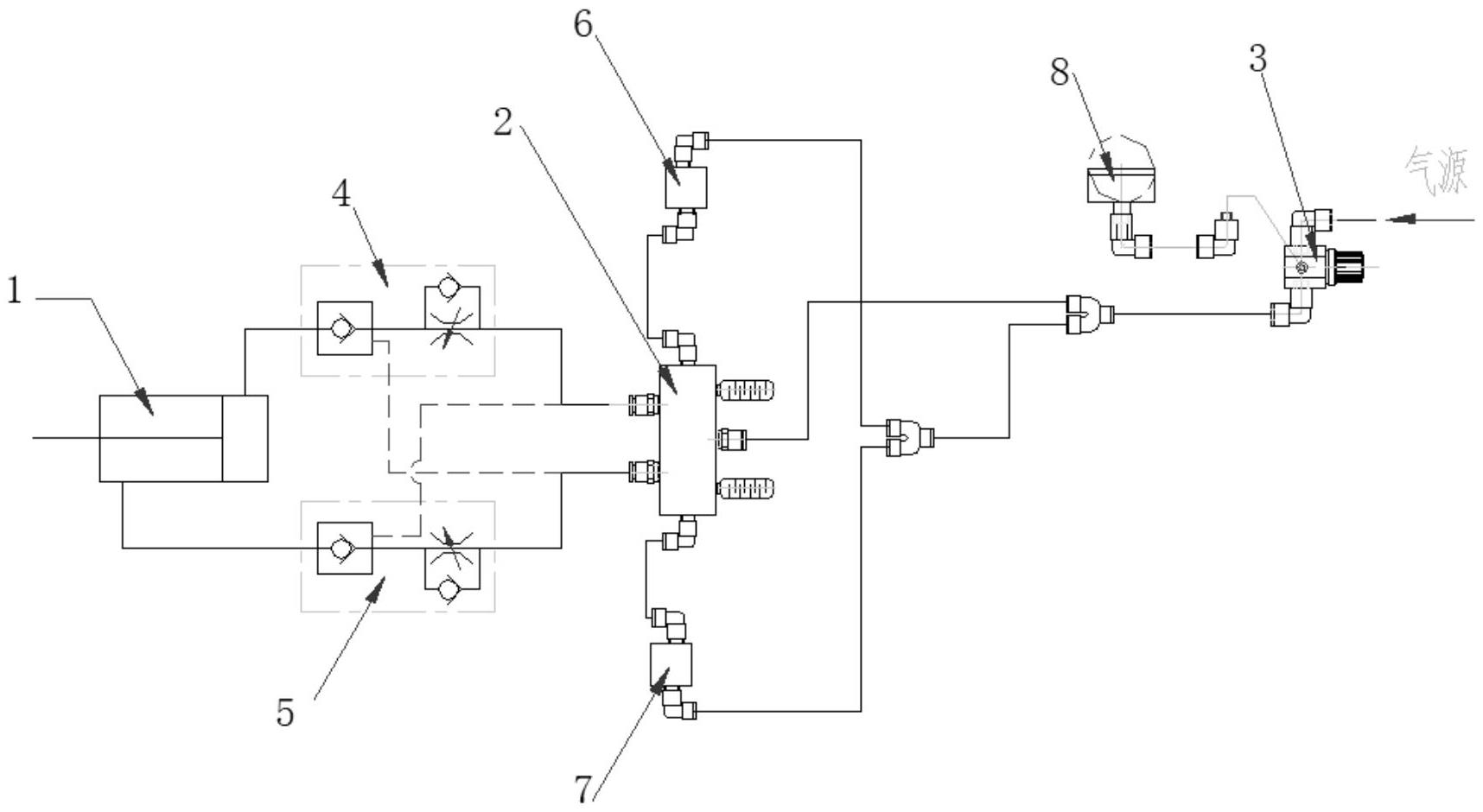
摘要
本实用新型提供了气动锥顶夹料的气路安全控制装置,包括气缸,气缸连接APS调速阀,APS调速阀连接而三位双气控阀,三位双气控阀通过减压阀连接气源;本实用新型的气动锥顶夹料的气路安全控制装置适应于机组式塑料凹版印刷设备;很好的解决了操作者在料卷装夹过程中存在的安全风险;保证装夹料卷的可行性及安全性;性能稳定可靠。


