授权公布号:CN205503391U
制冷压缩机
有效
申请
2016-03-04
申请公布
1970-01-01
授权
2016-08-24
预估到期
2026-03-04
| 申请号 | CN201620164326.2 |
| 申请日 | 2016-03-04 |
| 授权公布号 | CN205503391U |
| 授权公告日 | 2016-08-24 |
| 分类号 | F04B39/00;F04B39/12 |
| 分类 | 液体变容式机械;液体泵或弹性流体泵; |
| 申请人名称 | 思科普压缩机(天津)有限公司 |
| 申请人地址 | 天津市武清开发区开源道27号 |
专利法律状态
2016-08-24
授权
状态信息
授权
摘要
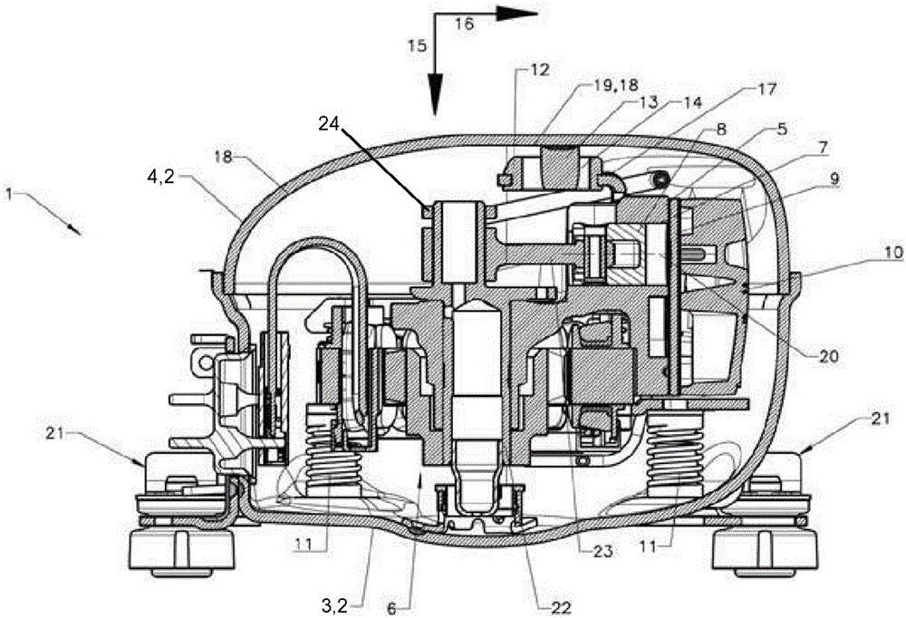
一种制冷压缩机(1),该制冷压缩机包括具有基座(3)和盖子(4)的外壳(2),该外壳(2)气密地包围气缸外壳(5)和驱动组件(6),气缸外壳(5)通过至少一个弹簧元件(11)安装在压缩机的外壳基座(3)以便允许气缸外壳(5)的移动且抑制气缸外壳的振动,其中,设置刚性地连接到气缸外壳(5)并且布置在气缸外壳(5)和压缩机的外壳盖子(4)之间的环形元件(12),并且设置刚性地连接到压缩机的外壳盖子(4)并且延伸到环形元件(12)的环状凹部(14)中的盖子销(13),以限制气缸外壳(5)的移动。根据本实用新型,设置成使得环形元件(12)包括具有橡胶材料或者由橡胶材料制成的涂覆层。


