授权公布号:CN217974568U
装载机定变量合流控制液压系统
有效
申请
2022-07-20
申请公布
1970-01-01
授权
2022-12-06
预估到期
2032-07-20
| 申请号 | CN202221909608.2 |
| 申请日 | 2022-07-20 |
| 授权公布号 | CN217974568U |
| 授权公告日 | 2022-12-06 |
| 分类号 | E02F9/22;E02F3/42 |
| 分类 | 水利工程;基础;疏浚; |
| 申请人名称 | 厦门厦工机械股份有限公司 |
| 申请人地址 | 福建省厦门市思明区厦禾路668号 |
专利法律状态
2022-12-06
授权
状态信息
授权
摘要
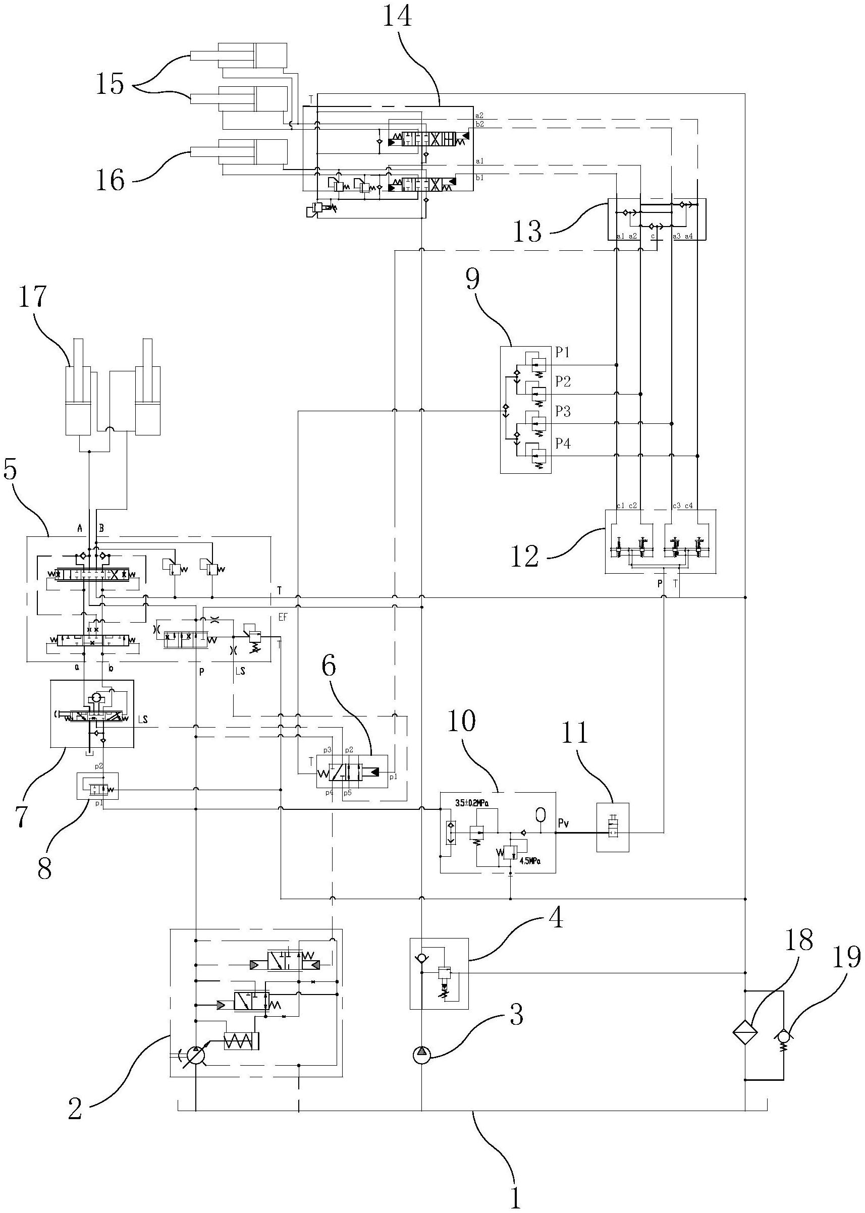
本实用新型公开了一种装载机定变量合流控制液压系统,包括油箱、变量泵、齿轮泵、卸荷阀、流量放大阀、控制阀、转向器、减压阀、减压阀组、先导供油阀、控制开关、先导阀、梭阀、分配阀、动臂油缸、转斗油缸、转向油缸;所述齿轮泵与变量泵的吸油口连接油箱,齿轮泵的出油口经卸荷阀与分配阀连接,变量泵经流量放大阀与齿轮泵的合流并向分配阀供油;将经转向器LS、流量放大阀LS和梭阀、减压阀组压力反馈至控制阀,最终反馈至变量泵LS口,进行变量泵的排量控制。由于本实用新型的减压阀组可根据动臂和转斗手柄的工作幅度,提供不同的供油量,避免了高压卸荷、溢流损失、降低使用能耗,降低了整机使用成本。


