授权公布号:CN103684118B
多轴马达驱动装置及具备该多轴马达驱动装置的纤维生成装置
有效
申请
2013-03-28
申请公布
2014-03-26
授权
2016-07-06
预估到期
2033-03-28
| 申请号 | CN201310106062.6 |
| 申请日 | 2013-03-28 |
| 申请公布号 | CN103684118A |
| 申请公布日 | 2014-03-26 |
| 授权公布号 | CN103684118B |
| 授权公告日 | 2016-07-06 |
| 分类号 | H02P6/04;H02P6/17 |
| 分类 | 发电、变电或配电; |
| 申请人名称 | 安川电机(中国)有限公司 |
| 申请人地址 | 上海市外高桥保税区奥纳路18号4楼 |
专利法律状态
2016-07-06
授权
状态信息
授权
2014-04-23
实质审查的生效
状态信息
实质审查的生效IPC(主分类):H02P 6/04申请日:20130328
2014-03-26
公布
状态信息
公布
摘要
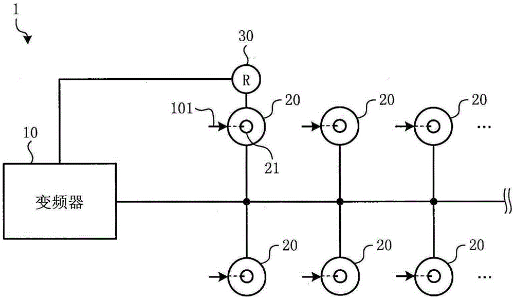
本发明提供一种多轴马达驱动装置及具备该多轴马达驱动装置的纤维生成装置,本发明涉及的多轴马达驱动装置具备:多个马达;位置检测器;以及一个变频器。多个马达具有从外部指示规定的磁极位置的指示部件。位置检测器设置于上述马达中的一个马达上。一个变频器在使上述指示部件的上述磁极位置对齐的状态下,基于上述位置检测器的检测位置对所有的上述马达发出驱动上述马达的同一指令。


