授权公布号:CN218672964U
一种梯次筛分分段干燥的滚筒干燥机
有效
申请
2022-12-05
申请公布
1970-01-01
授权
2023-03-21
预估到期
2032-12-05
| 申请号 | CN202223284519.6 |
| 申请日 | 2022-12-05 |
| 授权公布号 | CN218672964U |
| 授权公告日 | 2023-03-21 |
| 分类号 | F26B11/04;F26B21/00;F26B25/00;F26B25/12;F26B25/16 |
| 分类 | 干燥; |
| 申请人名称 | 山东天力能源股份有限公司 |
| 申请人地址 | 山东省济南市高新区舜华路2000号舜泰广场2号楼15层1501室 |
专利法律状态
2023-03-21
授权
状态信息
授权
摘要
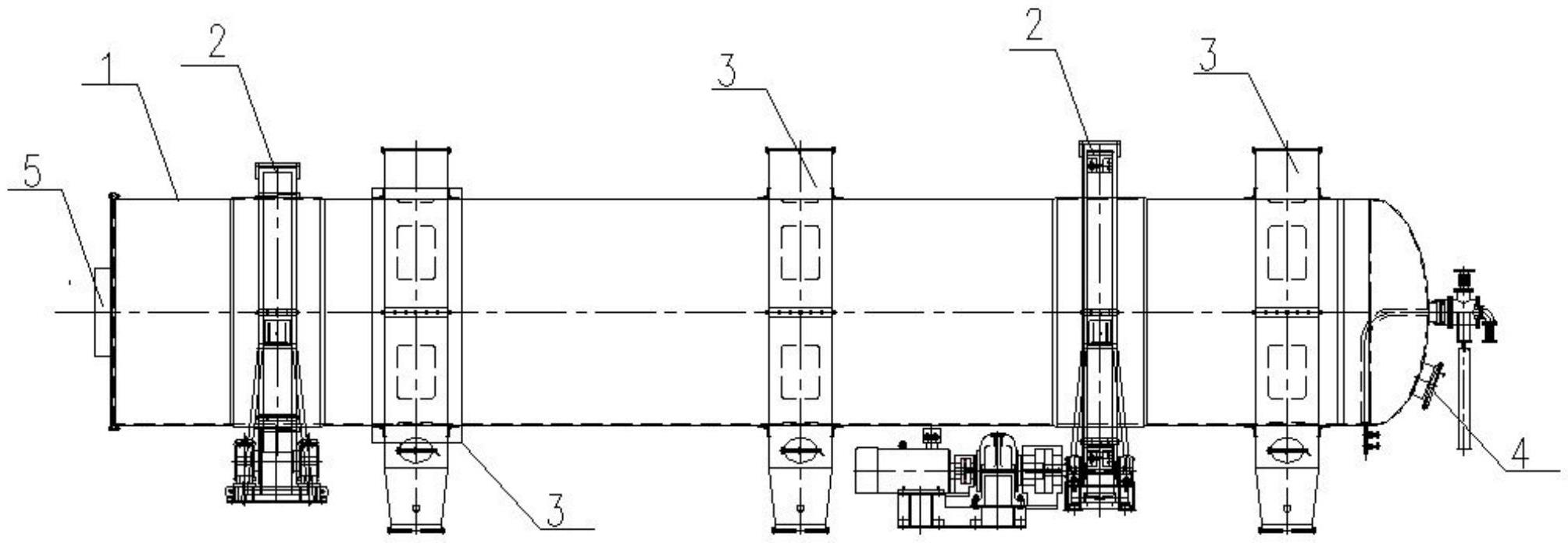
本实用新型公开了一种梯次筛分分段干燥的滚筒干燥机,涉及滚筒干燥机技术领域,包括筒体,沿筒体长度方向间隔设置多个出料罩,每个出料罩的出料口处安装设定粒径的筛网,形成物料梯次筛分。本实用新型通过在筒体长度方向设置多个出料罩,并配置不同粒径的筛网,解决干燥过程中存在粒径较小的物料过干、粒径较大物料干燥不充分的问题。


