授权公布号:CN207289071U
摩擦片式攻丝机自动攻丝结构
有效
申请
2017-09-28
申请公布
1970-01-01
授权
2018-05-01
预估到期
2027-09-28
| 申请号 | CN201721254955.5 |
| 申请日 | 2017-09-28 |
| 授权公布号 | CN207289071U |
| 授权公告日 | 2018-05-01 |
| 分类号 | B23G1/16;B23G1/44 |
| 分类 | 机床;不包含在其他类目中的金属加工; |
| 申请人名称 | 山东华盛中天机械集团股份有限公司 |
| 申请人地址 | 山东省临沂市高新技术产业开发区中天路2号 |
专利法律状态
2018-05-01
授权
状态信息
授权
摘要
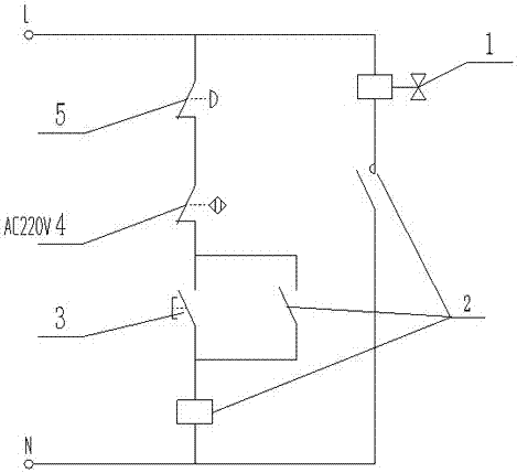
本实用新型公开了一种摩擦片式攻丝机自动攻丝结构,属于机械加工技术领域,用于替代手柄控制实现攻丝作业,其包括五口两位气动电磁阀、交流接触器、自复位按钮开关、磁感应接近开关和急停开关,其中所述交流接触器为三个,五口两位气动电磁阀与其中一个交流接触器串联形成回路A,另一个交流接触器与自复位按钮开关、磁感应接近开关和急停开关串联后形成回路B,回路A与回路B为并联形式,并分别接于220V交流电上;所述自复位按钮开关并联有一个交流接触器;所述五口两位气动电磁阀安装于往复气缸的气路上。鉴于上述技术方案,本实用新型能够通过攻丝自动化,减轻劳动强度,提高劳动效率,并且保证攻丝过程中摩擦片式自攻丝结构攻丝的成品率。


