授权公布号:CN209388419U
牛奶售卖机
有效
申请
2019-02-01
申请公布
1970-01-01
授权
2019-09-13
预估到期
2029-02-01
| 申请号 | CN201920180679.5 |
| 申请日 | 2019-02-01 |
| 授权公布号 | CN209388419U |
| 授权公告日 | 2019-09-13 |
| 分类号 | G07F13/00 |
| 分类 | 核算装置; |
| 申请人名称 | 上海南华换热器制造有限公司 |
| 申请人地址 | 上海市奉贤区庄行镇潘垫村 |
专利法律状态
2019-09-13
授权
状态信息
授权
摘要
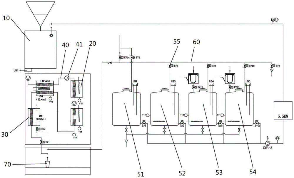
本实用新型公开了一种牛奶售卖机,包括机柜,机柜内划分为储奶室和消毒室,所述储奶室内设置有牛奶储存罐和抽奶装置,牛奶储存罐的底部连接有带有控制阀的输奶管,所述抽奶装置的进奶口与输奶管连通,抽奶装置的出奶口与取奶口连通;所述消毒室内设置有换热器和制冷器,输奶管依次与换热器、制冷器连接;所述牛奶售卖机还包括清洗装置,所述控制面板、抽奶装置、清洗装置和电加热器分别与控制器电连接。本实用新型所提供的一种牛奶售卖机,能很好地保证鲜牛奶品质,能有效解决鲜牛奶存储过程中存在的问题,提供清洗装置,保证输奶管的卫生,降低风险,在有效保障鲜牛奶品质的同时,实现了全天候自动售卖鲜牛奶,极大地方便了消费者的生活。


