授权公布号:CN219121157U
一种多股流板壳式换热器
有效
申请
2022-12-09
申请公布
1970-01-01
授权
2023-06-02
预估到期
2032-12-09
| 申请号 | CN202223317844.8 |
| 申请日 | 2022-12-09 |
| 授权公布号 | CN219121157U |
| 授权公告日 | 2023-06-02 |
| 分类号 | F28D9/00;F28F3/04;F28F9/18;F28F9/22 |
| 分类 | 一般热交换; |
| 申请人名称 | 甘肃蓝科石化高新装备股份有限公司 |
| 申请人地址 | 甘肃省兰州市安宁区蓝科路8号 |
专利法律状态
2023-06-02
授权
状态信息
授权
摘要
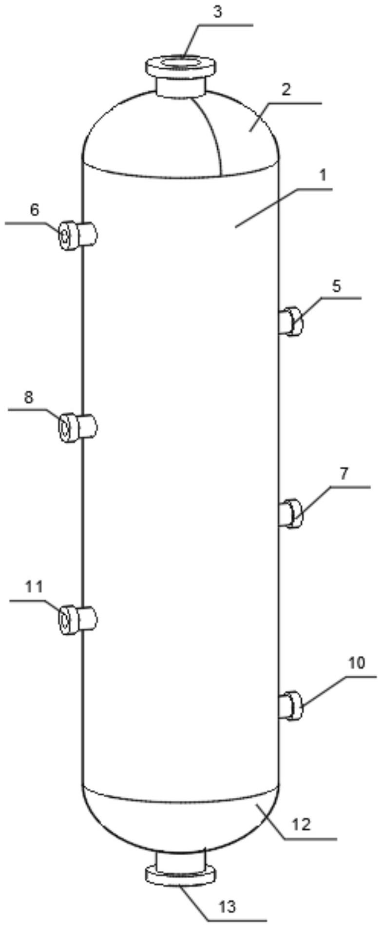
本实用新型公开了一种多股流板壳式换热器,包括壳体,所述壳体的顶端开口处固定装配有上封头,所述上封头的上表面固定装配有工艺介质入口。该多股流板壳式换热器,工艺介质由设备顶端工艺介质入口进入板束,依次经过多个板束,被不同冷媒介质冷凝,从设备底部接管流出,实现能量的梯级利用,采用纯逆流换热流程,充分利用传热温差,换热效率更高,可实现多种流体间的热量交换,壳体为回转壳,起到承压与保护作用,采用圆壳承压,可以承受较高的压力,当换热芯体出现泄漏时,可有效避免高腐蚀性介质、有毒有害介质外漏进入环境中,保护设备外框架,平台不被腐蚀,操作人员不受伤害。


