授权公布号:CN217727862U
一种机床床鞍用滑动辅助支撑装置
有效
申请
2022-08-31
申请公布
1970-01-01
授权
2022-11-04
预估到期
2032-08-31
| 申请号 | CN202222300817.3 |
| 申请日 | 2022-08-31 |
| 授权公布号 | CN217727862U |
| 授权公告日 | 2022-11-04 |
| 分类号 | B23Q1/25 |
| 分类 | 机床;不包含在其他类目中的金属加工; |
| 申请人名称 | 天水星火机床有限责任公司 |
| 申请人地址 | 甘肃省天水市天水经济技术开发区社棠工业园区 |
专利法律状态
2022-11-04
授权
状态信息
授权
摘要
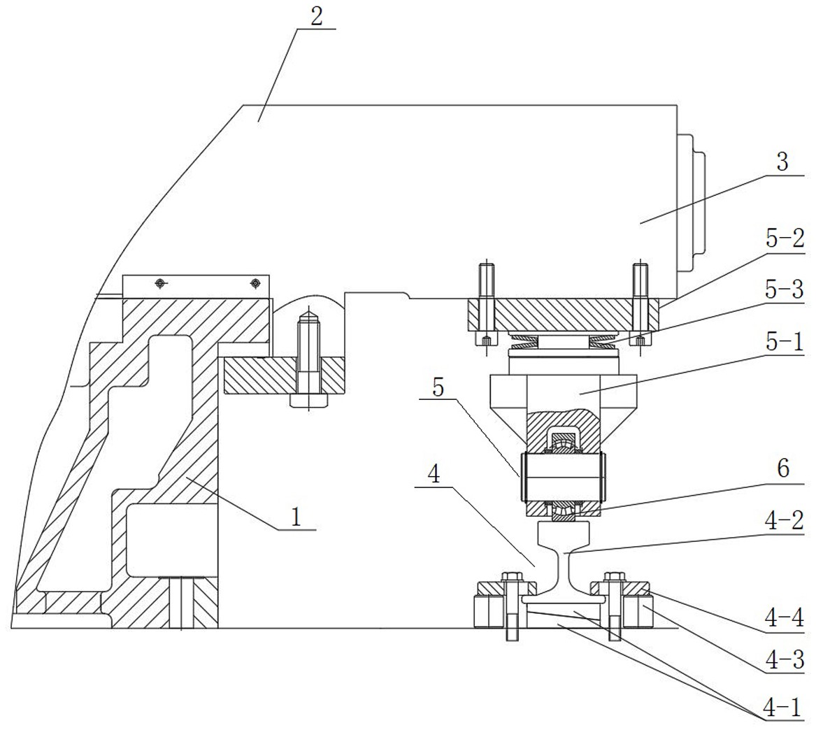
本实用新型属于机械加工设备技术领域,具体涉及一种机床床鞍用滑动辅助支撑装置。其包括机床床体、设置于所述机床床体上并且可沿其纵向移动的床鞍,所述床鞍的悬伸部下方的地面上铺设有高度可调的滑轨机构,所述悬伸部与所述滑轨机构之间设置有移动支架,所述移动支架上端与所述悬伸部的底面固定连接,所述支架轴下端设置有滚轮,所述滚轮位于所述滑轨机构上并且可沿所述滑轨机构的长度方向移动。由于本实用新型采用可移动的垂直支撑结构,能够承载较高的负载,可对重型机床床鞍的起到稳定的移动支撑作用;本实用新型无需对机床做结构性改进,能够快捷方便的加设在机床上,非常适合已成型机床的后期改进。


