授权公布号:CN212146039U
一种重型机床装配工装
有效
申请
2019-12-25
申请公布
1970-01-01
授权
2020-12-15
预估到期
2029-12-25
| 申请号 | CN201922368104.9 |
| 申请日 | 2019-12-25 |
| 授权公布号 | CN212146039U |
| 授权公告日 | 2020-12-15 |
| 分类号 | B25B11/00 |
| 分类 | 手动工具;轻便机动工具;手动器械的手柄;车间设备;机械手; |
| 申请人名称 | 武汉重型机床集团有限公司 |
| 申请人地址 | 湖北省武汉市东湖新技术开发区佛祖岭一路3号 |
专利法律状态
2020-12-15
授权
状态信息
授权
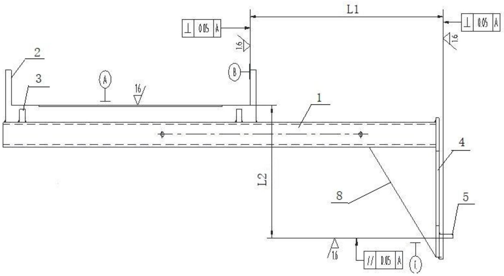
摘要
本实用新型公开了一种重型机床装配工装,包括支撑柱、长卡板、短卡板、支撑脚和连接板,所述支撑脚连接在支撑柱的一侧,两个所述长卡板连接在支撑柱上,两个长卡板之间的底部为基准面A,处于外侧的长卡板与立柱的外侧连接,处于内侧的卡板的内表面为基准面B,两个所述长卡板的两侧设有两组短卡板,短卡板的高度低于基准面A的高度。能对立柱进行快速、精确定位,提高装配效率。


