授权公布号:CN203975922U
纸杯生产检测联线的纸杯转接装置
有效
申请
2014-07-09
申请公布
1970-01-01
授权
2014-12-03
预估到期
2024-07-09
| 申请号 | CN201420374910.1 |
| 申请日 | 2014-07-09 |
| 授权公布号 | CN203975922U |
| 授权公告日 | 2014-12-03 |
| 分类号 | B65G47/74 |
| 分类 | 输送;包装;贮存;搬运薄的或细丝状材料; |
| 申请人名称 | 浙江新立机械有限公司 |
| 申请人地址 | 浙江省温州市瑞安市飞云镇远东路9号 |
专利法律状态
2014-12-03
授权
状态信息
授权
摘要
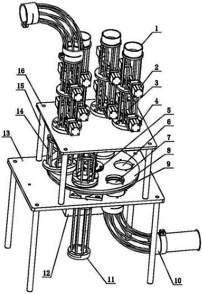
本实用新型公开了纸杯生产检测联线的纸杯转接装置,其特征在于:包括在转接工作台上方设置的上转盘和下转盘,上转盘与分割器连接,下转盘与转接工作台固定连接,上转盘在圆周方向上均布设有多个落杯孔,落杯孔上设置储杯管,多个落杯孔中除靠外的两个与下转盘设有的两个导杯孔对齐外,其余落杯孔与上转盘上方设有的多条送杯管一一对应并相互对齐,所述送杯管出口设有上下控制阀控制送杯管的打开和关闭,两个导杯孔还与两条导杯管相接,一条导杯管连通纸杯检测设备,另一条导杯管不连通纸杯检测设备。本实用新型结构简单,可使纸杯生产与检测工作灵活匹配并快速进行,最大利用设备潜能,同时纸杯的生产不受检测工作的影响。


