授权公布号:CN211332058U
一种变速器上线滑台
有效
申请
2019-12-27
申请公布
1970-01-01
授权
2020-08-25
预估到期
2029-12-27
| 申请号 | CN201922402178.X |
| 申请日 | 2019-12-27 |
| 授权公布号 | CN211332058U |
| 授权公告日 | 2020-08-25 |
| 分类号 | B23P19/00 |
| 分类 | 机床;不包含在其他类目中的金属加工; |
| 申请人名称 | 重庆福伦德实业有限公司 |
| 申请人地址 | 重庆市南岸区迎春路6号 |
专利法律状态
2020-08-25
授权
状态信息
授权
摘要
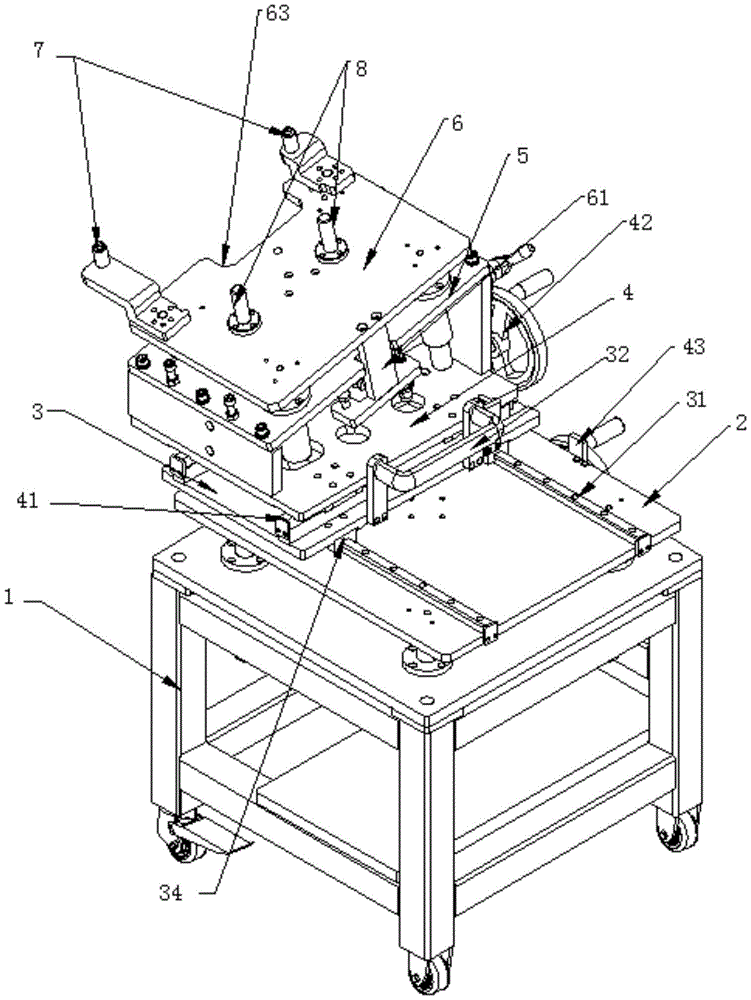
本实用新型涉及一种变速器上线滑台,用于变速器与发动机的装配定位,包括机架、上下调节机构、前后调节机构、左右调节机构、变速器升降定位机构;上下调节机构包括设于机架上方的上下调节板,前后调节机构包括设于上下调节板上的前后调节板;左右调节机构包括设于前后调节板上的左右调节板;上下调节板、前后调节板、左右调节板均水平设置;变速器升降定位机构包括倾斜设于左右调节板上的变速器支撑板,以及平行设于变速器支撑板上方可升降的变速器定位板,其上设有用于定位变速器的变速器支撑柱、变速器限位柱;本实用新型结构简单,具有上下、左右、前后三个方向的调节量,在变速器与发动机装配过程中不存在装配盲区,升降稳定,装配精度高。


