授权公布号:CN215301017U
一种PCB板
有效
申请
2021-05-28
申请公布
1970-01-01
授权
2021-12-24
预估到期
2031-05-28
| 申请号 | CN202121188208.2 |
| 申请日 | 2021-05-28 |
| 授权公布号 | CN215301017U |
| 授权公告日 | 2021-12-24 |
| 分类号 | H05K1/02;H05K3/00 |
| 分类 | 其他类目不包含的电技术; |
| 申请人名称 | 安捷利(番禺)电子实业有限公司 |
| 申请人地址 | 广东省广州市南沙区望江二街4号1201(A2)房 |
专利法律状态
2021-12-24
授权
状态信息
授权
摘要
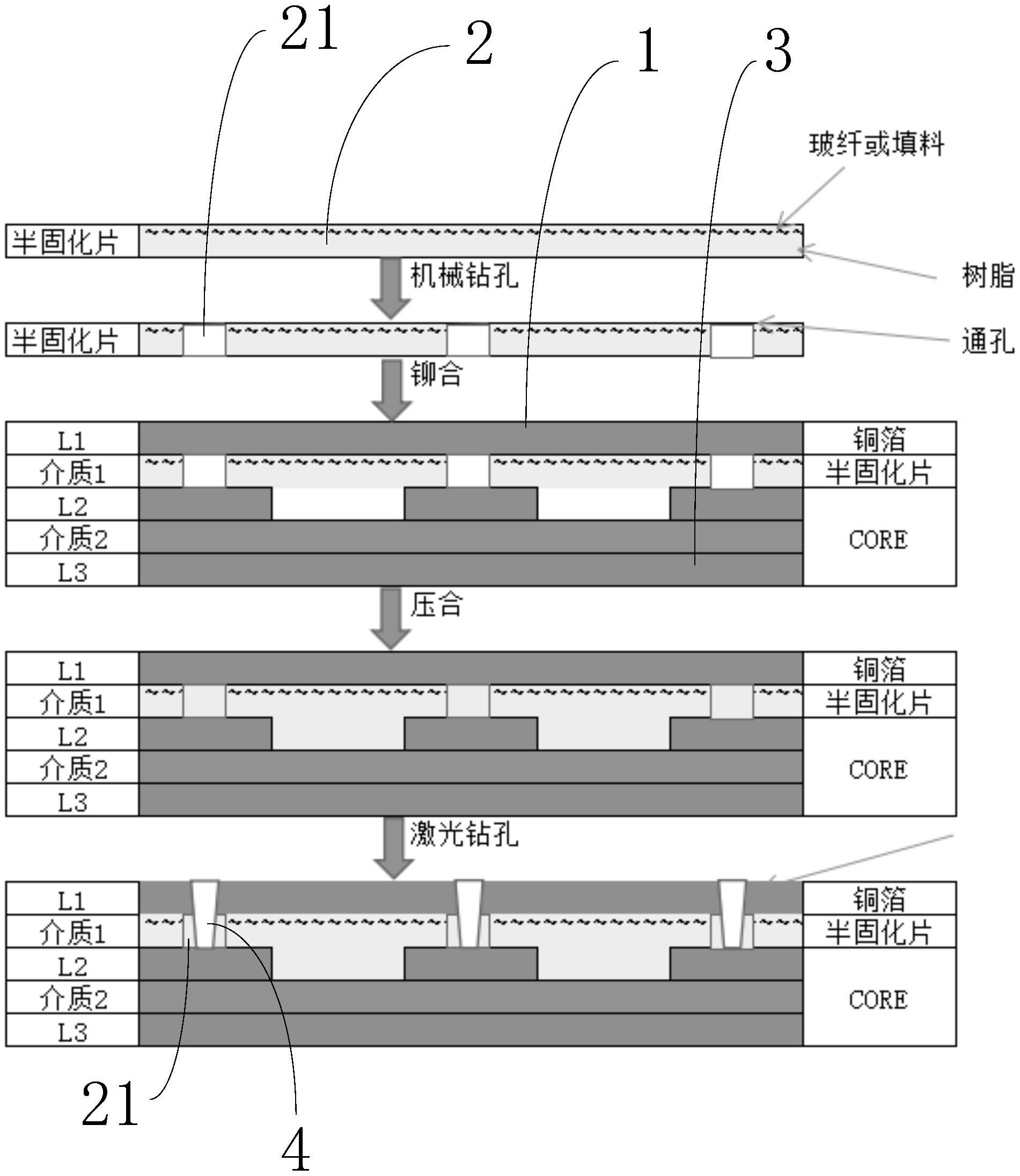
本实用新型提供本实用新型提供一种激光钻孔更容易实现的PCB板。本实用新型提供的PCB板,包括PCB板主体和设置于PCB板主体上的盲孔,PCB板主体包括层叠设置的第一铜层、半固化片和芯板,盲孔依次贯穿第一铜层和半固化片,且与芯板连接,半固化片上设置有预钻孔,预钻孔贯穿半固化片,盲孔设置于预钻孔中。本实用新型提供的PCB板,半固化片上设置有预钻孔,盲孔开设在预钻孔中,实现降低激光钻孔的难度,使得盲孔容易开设,半固化片的厚度可不受规格限制,使得半固化片2的材料选择和厚度选择不受限制。


