授权公布号:CN216479212U
一种气液联动驱动装置的液压控制系统
有效
申请
2021-12-02
申请公布
1970-01-01
授权
2022-05-10
预估到期
2031-12-02
| 申请号 | CN202123005488.1 |
| 申请日 | 2021-12-02 |
| 授权公布号 | CN216479212U |
| 授权公告日 | 2022-05-10 |
| 分类号 | F16K31/124;F15B11/072;F15B11/08;F15B13/04;F15B1/02;F15B21/041 |
| 分类 | 工程元件或部件;为产生和保持机器或设备的有效运行的一般措施;一般绝热; |
| 申请人名称 | 大连大高阀门股份有限公司 |
| 申请人地址 | 辽宁省大连市甘井子区姚家路272号大连大高阀门股份有限公司 |
专利法律状态
2023-05-23
专利权人的姓名或者名称、地址的变更
状态信息
专利权人的姓名或者名称、地址的变更;IPC(主分类):F16K 31/124;专利号:ZL2021230054881;变更事项:专利权人;变更前:大连大高阀门股份有限公司;变更后:大连大高阀门股份有限公司;变更事项:地址;变更前:116037 辽宁省大连市甘井子区姚家路272号大连大高阀门股份有限公司;变更后:116037 辽宁省大连市甘井子区姚家路272号大连大高阀门股份有限公司;变更事项:专利权人;变更前:上海核工程研究设计院有限公司;变更后:上海核工程研究设计院股份有限公司
2022-05-10
授权
状态信息
授权
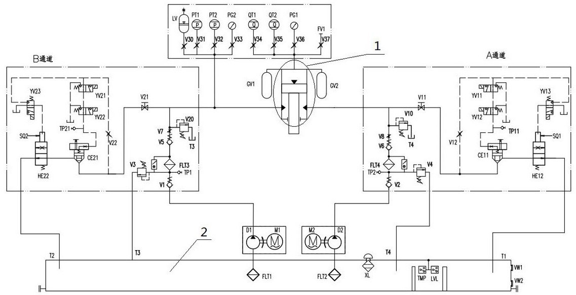
摘要
本实用新型涉及一种气液联动驱动装置的液压控制系统,用于气液联动驱动装置的控制,实现气液联动驱动装置慢开、慢关、快关以及部分关闭和开启的功能要求,包括:与气液联动驱动装置分别连接的A通道液压系统和B通道液压系统;A通道液压系统、B通道液压系统分别通过其各自的供油油路向气液联动驱动装置输送液压油,气液联动驱动装置中的液压油分别通过A通道液压系统、B通道液压系统的回油油路回油。本实用新型采用完全独立双通道液压控制系统,即满足单一故障准则的要求,又同时具有冗余设计,保证功能安全可靠性。


