授权公布号:CN102243141B
寿命试验机电气控制装置
有效
申请
2011-04-18
申请公布
2011-11-16
授权
2015-02-11
预估到期
2031-04-18
| 申请号 | CN201110096198.4 |
| 申请日 | 2011-04-18 |
| 申请公布号 | CN102243141A |
| 申请公布日 | 2011-11-16 |
| 授权公布号 | CN102243141B |
| 授权公告日 | 2015-02-11 |
| 分类号 | G01M13/00;F16K31/12 |
| 分类 | 测量;测试; |
| 申请人名称 | 大连大高阀门股份有限公司 |
| 申请人地址 | 辽宁省大连市甘井子区姚家路272号 |
专利法律状态
2023-10-20
专利权质押合同登记的生效、变更及注销
状态信息
专利权质押合同登记的生效;IPC(主分类):G01M 13/00;专利号:ZL2011100961984;登记号:Y2023980059639;登记生效日:20230927;出质人:大连大高阀门股份有限公司;质权人:上海浦东发展银行股份有限公司大连分行;发明名称:寿命试验机电气控制装置;申请日:20110418;授权公告日:20150211
2015-02-11
授权
状态信息
授权
2012-11-28
实质审查的生效
状态信息
实质审查的生效;IPC(主分类):G01M13/00;申请日:20110418
2012-08-22
著录事项变更
状态信息
著录事项变更;IPC(主分类):G01M13/00;变更事项:申请人;变更前:大连大高阀门有限公司;变更后:大连大高阀门股份有限公司;变更事项:地址;变更前:116037 辽宁省大连市甘井子区姚家路272号;变更后:116037 辽宁省大连市甘井子区姚家路272号
2011-11-16
公布
状态信息
公布
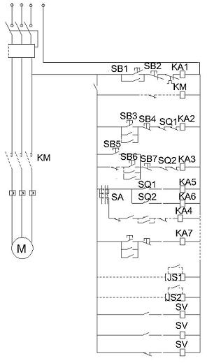
摘要
本发明涉及电气控制装置领域,具体的讲,是涉及一种新型寿命试验机电气控制装置。本发明实现了对阀门寿命进行验证的要求,满足了气、液联动驱动装置对阀门的慢开、慢关、快关自动启闭控制,以便对阀门的功能进行验证的要求。一种新型寿命试验机电气控制装置,主要包括一个轻便可移动的电气箱,电气箱的开门上安装选择、控制按钮,气、液联动驱动装置及阀门上的限位开关的输入信号通过电缆与控制箱连接,控制箱内通过简单的电气元件形成逻辑控制输出,输出信号亦通过电缆与气、液联动驱动装置相连。


