授权公布号:CN112255115B
一种应力松弛加速试验装置及方法
有效
申请
2020-10-19
申请公布
2021-01-22
授权
2024-02-06
预估到期
2040-10-19
| 申请号 | CN202011120974.5 |
| 申请日 | 2020-10-19 |
| 申请公布号 | CN112255115A |
| 申请公布日 | 2021-01-22 |
| 授权公布号 | CN112255115B |
| 授权公告日 | 2024-02-06 |
| 分类号 | G01N3/20;G01N3/06;G01N3/02;G01N3/04 |
| 分类 | 测量;测试; |
| 申请人名称 | 宁波金田铜业(集团)股份有限公司 |
| 申请人地址 | 浙江省宁波市江北区慈城镇城西西路1号 |
专利法律状态
2024-02-06
授权
状态信息
授权
2021-02-09
实质审查的生效
状态信息
实质审查的生效;IPC(主分类):G01N3/20;申请日:20201019
2021-01-22
公布
状态信息
公布
摘要
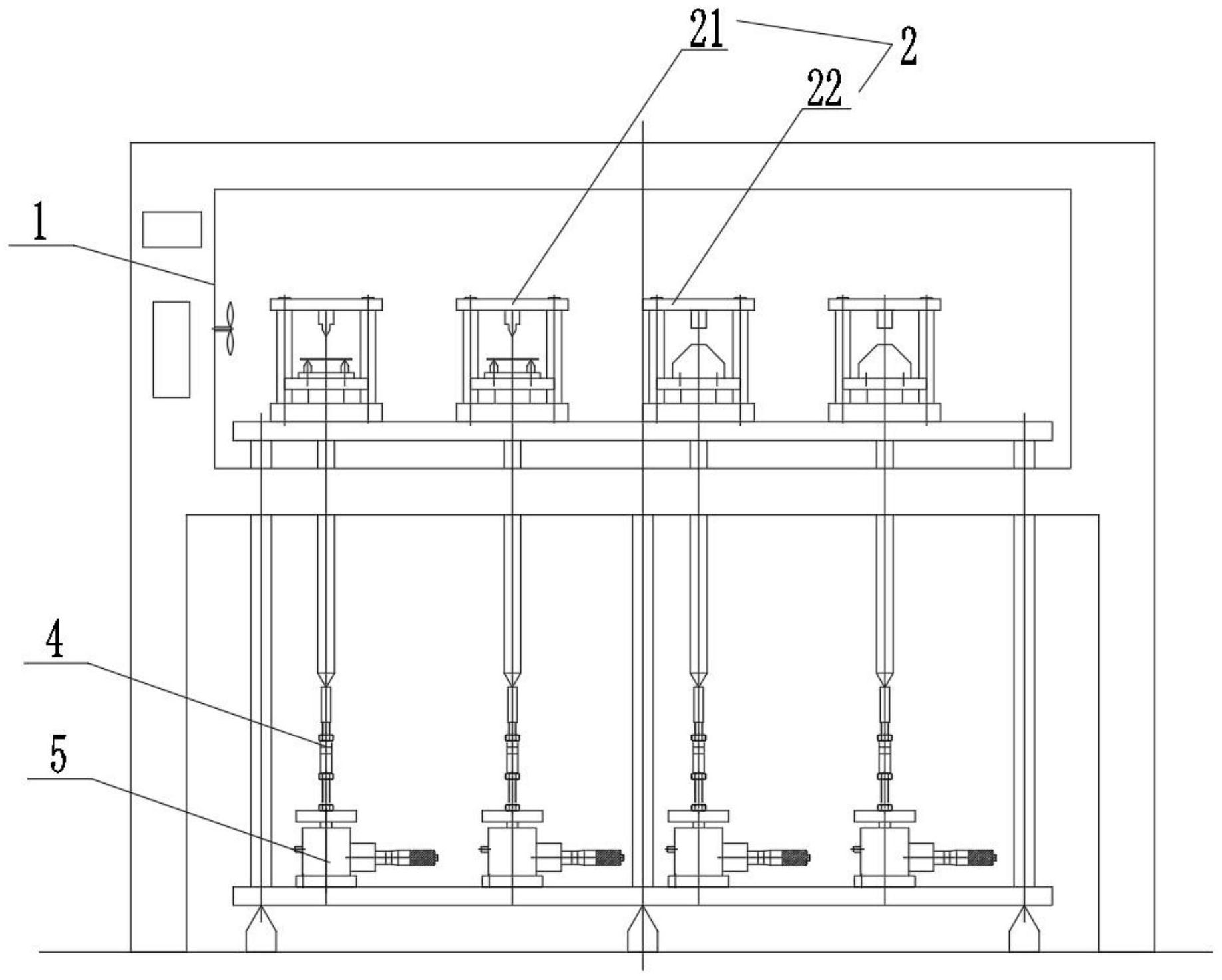
本发明公开了一种应力松弛加速试验装置及方法,属于金属带材测试技术领域。包括:温控箱内设置有温控腔;若干弯曲试验组件设置于温控腔内,其中弯曲试验组件包括上加载压头、下支撑刃以及升降杆,上加载压头与下支撑刃相对设置,下支撑刃背离上加载压头的一侧连接有升降杆,且下支撑刃能沿升降杆的长度方向往复移动;压力传感装置设置于温控箱的外部,且压力传感装置包括压力传感器和数据处理储存器,压力传感器与升降杆背离下支撑刃的一端接触,此外压力传感器与数据处理储存器信号连接;位移升降装置设置于压力传感器背离升降杆的一端。该应力松弛加速试验装置及方法,对多种不同形态的试样进行试验,测试精度和测试效率较高。


