授权公布号:CN215196359U
一种肥料低塔造粒料浆制备装置
有效
申请
2021-03-19
申请公布
1970-01-01
授权
2021-12-17
预估到期
2031-03-19
| 申请号 | CN202120566565.1 |
| 申请日 | 2021-03-19 |
| 授权公布号 | CN215196359U |
| 授权公告日 | 2021-12-17 |
| 分类号 | B01F1/00;B01F13/10;B01F15/00;B01F15/06;B01J2/00;B01D29/66;B01D29/94 |
| 分类 | 一般的物理或化学的方法或装置; |
| 申请人名称 | 深圳市芭田生态工程股份有限公司 |
| 申请人地址 | 广东省深圳市南山区高新技术园学府路63号联合总部大厦30、31楼 |
专利法律状态
2021-12-17
授权
状态信息
授权
摘要
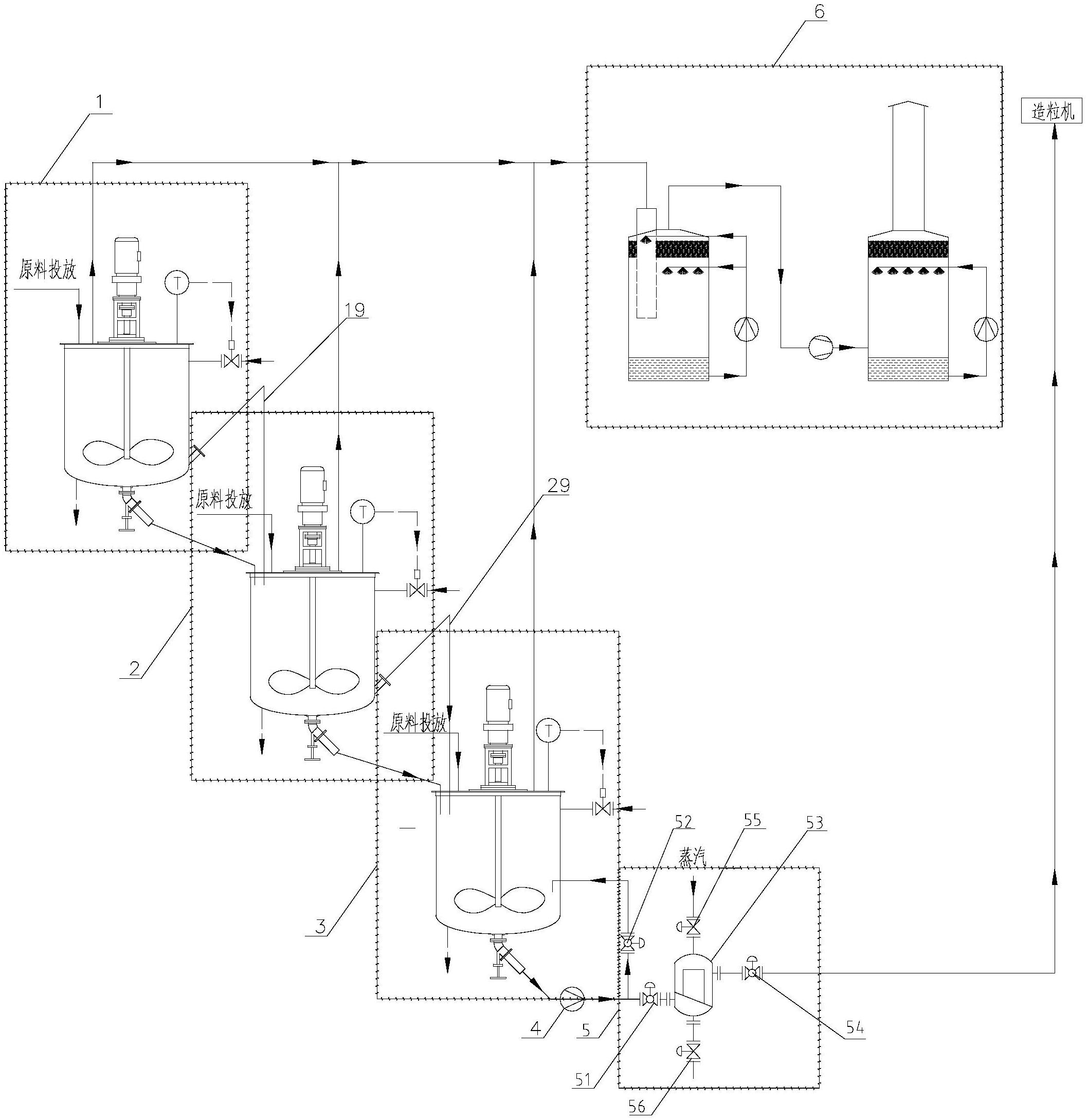
本实用新型公开了一种肥料低塔造粒料浆制备装置,包括设置于造粒塔中部以下区域的料浆制备装置,所述料浆制备装置包括多级槽、料浆泵、料浆反冲洗过滤装置和尾气处理装置;各级槽内投放的固体原料经逐级搅拌混合和高温加热熔解后,以液态料浆的形式流至最下级槽内进行原料熔解混合后,通过所述料浆泵将混合熔解后的料浆送至所述料浆反冲洗过滤装置进行过滤后,送至造粒机中进行造粒,且所述料浆反冲洗过滤装置可自动清洗。尾气处理装置与各级槽连接,用于收集各级槽产生的尾气,经二次洗涤后向外排放;本实用新型成本低、能够智能清洗和降低造粒塔高度,且环保无污染。


