授权公布号:CN110489774B
一种模块化多电平功率放大器冗余度设计方法
有效
申请
2019-06-19
申请公布
2019-11-22
授权
2023-04-18
预估到期
2039-06-19
| 申请号 | CN201910530665.6 |
| 申请日 | 2019-06-19 |
| 申请公布号 | CN110489774A |
| 申请公布日 | 2019-11-22 |
| 授权公布号 | CN110489774B |
| 授权公告日 | 2023-04-18 |
| 分类号 | G06F30/367;G06N3/006;G06F111/06N;G06F117/06N;G06F119/02N |
| 分类 | 计算;推算;计数; |
| 申请人名称 | 广东志成冠军集团有限公司 |
| 申请人地址 | 广东省东莞市塘厦镇田心工业园 |
专利法律状态
2023-04-18
授权
状态信息
授权
2019-11-22
公布
状态信息
公布
摘要
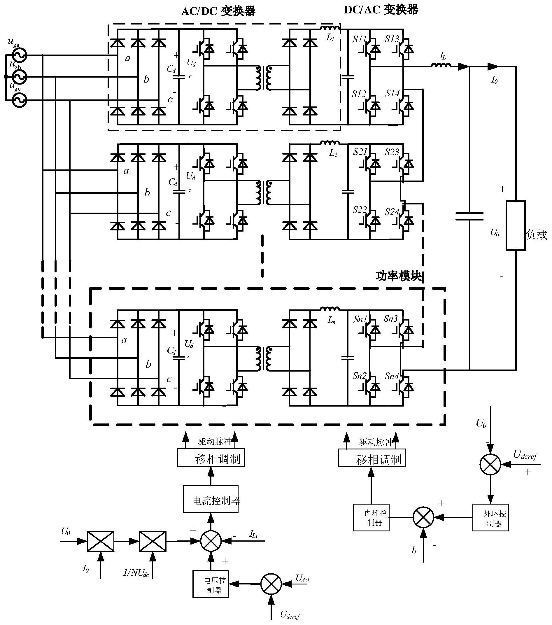
本发明公开了一种模块化多电平功率放大器冗余度设计方法,在选取冗余模块的数量时,针对功率放大器的可靠性、功率损耗特性分别建立数学模型,并以可靠性,功率损耗特性为目标建立关于冗余的目标函数,合理选取可靠性和功率损耗的权重系数,利用多目标粒子群优化算法计算出同时能同时满足模块化多电平功率放大器可靠性高、损耗小时的冗余功率模块数量,得出模块化多电平功率放大器的最佳冗余度,使模块化多电平功率放大器能同时兼顾可靠性和损耗特性的要求。


