授权公布号:CN113659860B
开关功率放大器及其控制方法、控制系统
有效
申请
2021-07-27
申请公布
2021-11-16
授权
2023-05-30
预估到期
2041-07-27
| 申请号 | CN202110850918.5 |
| 申请日 | 2021-07-27 |
| 申请公布号 | CN113659860A |
| 申请公布日 | 2021-11-16 |
| 授权公布号 | CN113659860B |
| 授权公告日 | 2023-05-30 |
| 分类号 | H02M7/5387;H02M3/158;H02M3/157;H02M1/12 |
| 分类 | 发电、变电或配电; |
| 申请人名称 | 广东志成冠军集团有限公司 |
| 申请人地址 | 广东省东莞市塘厦镇田心工业园 |
专利法律状态
2023-05-30
授权
状态信息
授权
2021-12-03
实质审查的生效
状态信息
实质审查的生效;IPC(主分类):H02M7/5387;专利申请号:2021108509185;申请日:20210727
2021-11-16
公布
状态信息
公布
摘要
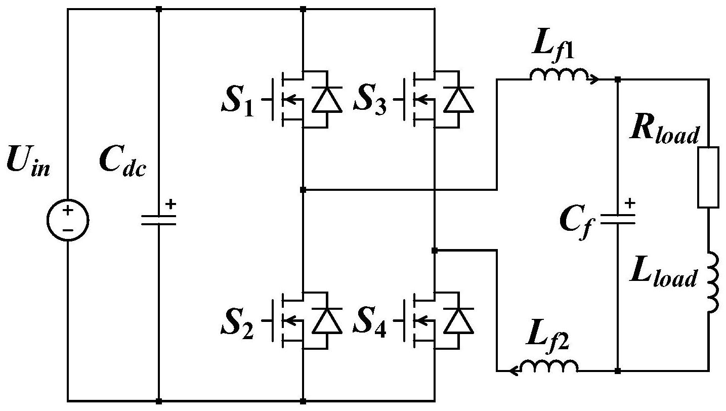
本发明公开了一种开关功率放大器及其控制方法、控制系统,以BUCK电路输出电容作为能量缓冲环节,平衡输入侧和输出侧不平衡能量,同时通过控制两个BUCK电路的输出电压差值实现对额定电压的跟踪保证输出电压波形质量。本发明中两个BUCK电路所需功率器件、无源器件数量均与常规单相逆变器相同,同时本发明有效的抑制了直流母线电压电流纹波,实现了功率解耦,适用范围宽泛。


