授权公布号:CN102553554B
木质粉状活性炭再生生产线
有效
申请
2011-12-31
申请公布
2012-07-11
授权
2013-11-27
预估到期
2031-12-31
| 申请号 | CN201110458803.8 |
| 申请日 | 2011-12-31 |
| 申请公布号 | CN102553554A |
| 申请公布日 | 2012-07-11 |
| 授权公布号 | CN102553554B |
| 授权公告日 | 2013-11-27 |
| 分类号 | B01J20/34 |
| 分类 | 一般的物理或化学的方法或装置; |
| 申请人名称 | 福建省芝星炭业股份有限公司 |
| 申请人地址 | 福建省南平市建瓯市城关木西林 |
专利法律状态
2013-11-27
授权
状态信息
授权
2013-01-30
著录事项变更
状态信息
著录事项变更;IPC(主分类):B01J20/34;变更事项:申请人;变更前:福建省建瓯市芝星活性炭有限公司;变更后:福建省芝星炭业股份有限公司;变更事项:地址;变更前:353100 福建省南平市建瓯市城关木西林;变更后:353100 福建省南平市建瓯市城关木西林
2012-11-07
实质审查的生效
状态信息
实质审查的生效;IPC(主分类):B01J20/34;申请日:20111231
2012-07-11
公布
状态信息
公布
摘要
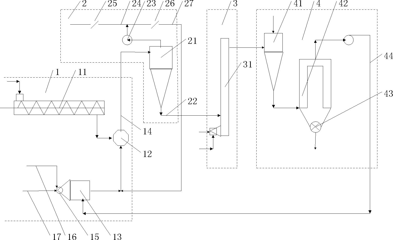
本发明木质粉状活性炭再生生产线,包括粉碎干燥设备、旋风分离设备、高温立窑活化炉及冷却袋滤设备,通过粉碎干燥设备将泥炭进行加热干燥并机械粉碎,通过旋风分离设备分离出泥炭粒子,通过高温立窑活化炉对泥炭粒子进行再活化,通过冷却袋滤设备对活化后的泥炭进行冷却降温,并经过袋滤器后进行出料,从而使得活性炭再生完全、烧失率低、再生成本低、再生质量好、实现了大规模和自动化控制生产。


