授权公布号:CN108905761B
一种防止尿素溶解罐结晶的装置及方法
有效
申请
2018-08-13
申请公布
2018-11-30
授权
2023-11-17
预估到期
2038-08-13
| 申请号 | CN201810918256.9 |
| 申请日 | 2018-08-13 |
| 申请公布号 | CN108905761A |
| 申请公布日 | 2018-11-30 |
| 授权公布号 | CN108905761B |
| 授权公告日 | 2023-11-17 |
| 分类号 | B01F27/90;B01F33/83;B01F23/70;B01F35/71;B01F21/10 |
| 分类 | 一般的物理或化学的方法或装置; |
| 申请人名称 | 中国华能集团有限公司 |
| 申请人地址 | 北京市西城区复兴路甲23号 |
专利法律状态
2023-11-17
授权
状态信息
授权
2018-12-25
实质审查的生效
状态信息
实质审查的生效;IPC(主分类):B01F7/18;申请日:20180813
2018-11-30
公布
状态信息
公布
摘要
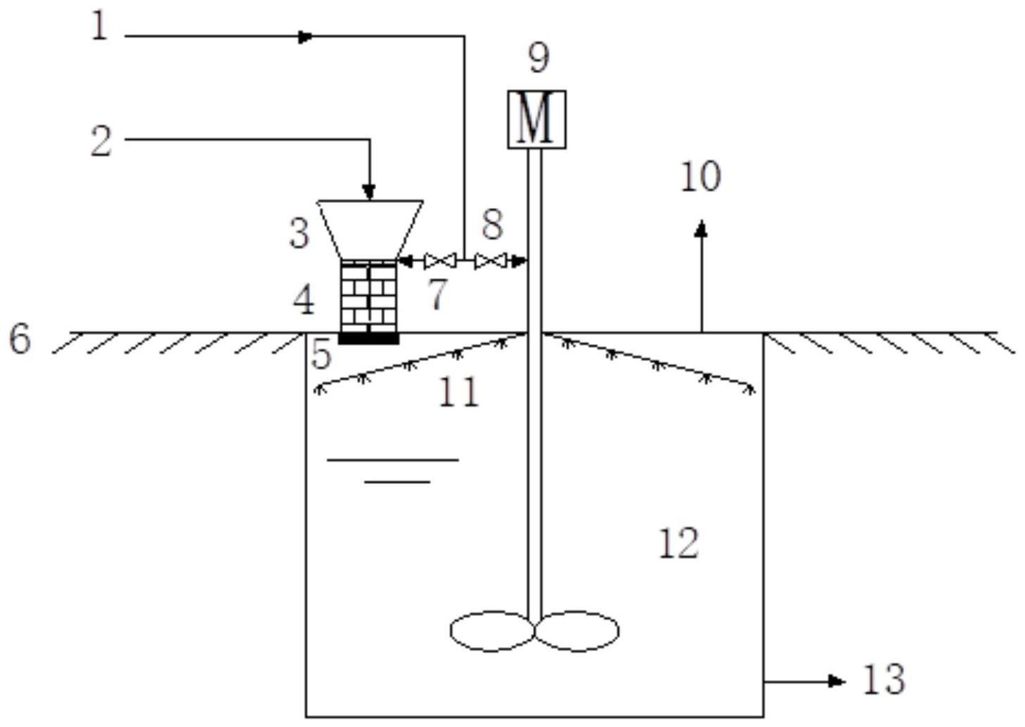
本发明一种防止尿素溶解罐结晶的装置及方法,所述装置包括安装在尿素溶解罐外的尿素破碎机、设置在尿素溶解罐内的搅拌机、以及连接在尿素破碎机和搅拌机上的除盐水冲洗喷淋系统;方法包括,步骤1,在尿素溶解罐加料后关闭溶解罐闸阀;步骤2,抑制尿素溶解罐的雾沫夹带,避免尿素溶解罐的开孔连接通道被结晶堵塞;步骤3,对结晶板结和尿素结晶进行及时冲洗。能有效避免和清除形成的尿素结晶,从而保证了尿素溶解罐的正常运行;保证了后续水解反应单元的顺利进行,排除杂质添加进入水解系统,从源头减少了大块物质的沉积堵塞;有效避免加料口结晶板死现象的出现,清理效果明显,经济可靠,具有广阔的应用和推广前景。


