授权公布号:CN111650354B
一种水合物评价实验系统及方法
有效
申请
2020-06-28
申请公布
2020-09-11
授权
2023-11-03
预估到期
2040-06-28
| 申请号 | CN202010599557.7 |
| 申请日 | 2020-06-28 |
| 申请公布号 | CN111650354A |
| 申请公布日 | 2020-09-11 |
| 授权公布号 | CN111650354B |
| 授权公告日 | 2023-11-03 |
| 分类号 | G01N33/22;B01J19/18;B01J4/02;C10L3/10;B01J10/00 |
| 分类 | 测量;测试; |
| 申请人名称 | 中国华能集团有限公司 |
| 申请人地址 | 北京市西城区复兴门内大街6号 |
专利法律状态
2023-11-03
授权
状态信息
授权
2020-10-13
实质审查的生效
状态信息
实质审查的生效;IPC(主分类):G01N33/22;申请日:20200628
2020-09-11
公布
状态信息
公布
摘要
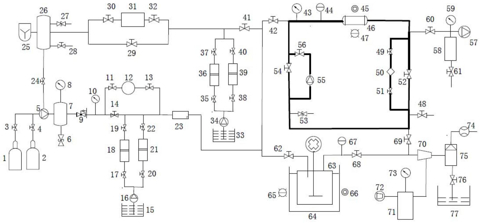
本发明提供的一种水合物评价实验系统及方法,包括第一气瓶、第二气瓶、流量控制装置、流量控制器、磁搅拌容器、化学试剂注入装置和封闭回路等,其中,第一气瓶用于储存CH4或者天然气混合气体;所述第一气瓶的气体出口经过流量控制器连接磁搅拌容器;第二气瓶用于储存CO2气体;所述第二气瓶的气体出口经过流量控制装置连接磁搅拌容器;所述磁搅拌容器上设置有化学试剂注入口,所述化学试剂注入口连接化学试剂注入装置的出口;所述封闭回路通过第二十阀分别连接第一气瓶、第二气瓶和化学试剂注入装置;本发明能够通过实现模拟水合物形成,同时分析他对水合物的形成及分解规律的影响,便于开展进一步详细分析研究,从而指导生产。


