授权公布号:CN108889251B
一种二氧化碳增湿矿化的气流床装置及方法
有效
申请
2018-08-20
申请公布
2018-11-27
授权
2023-09-29
预估到期
2038-08-20
| 申请号 | CN201810950524.5 |
| 申请日 | 2018-08-20 |
| 申请公布号 | CN108889251A |
| 申请公布日 | 2018-11-27 |
| 授权公布号 | CN108889251B |
| 授权公告日 | 2023-09-29 |
| 分类号 | B01J8/18;B01D53/83;B01D53/62 |
| 分类 | 一般的物理或化学的方法或装置; |
| 申请人名称 | 中国华能集团有限公司 |
| 申请人地址 | 北京市海淀区复兴路甲23号 |
专利法律状态
2023-09-29
授权
状态信息
授权
2018-12-21
实质审查的生效
状态信息
实质审查的生效;IPC(主分类):B01J8/18;申请日:20180820
2018-11-27
公布
状态信息
公布
摘要
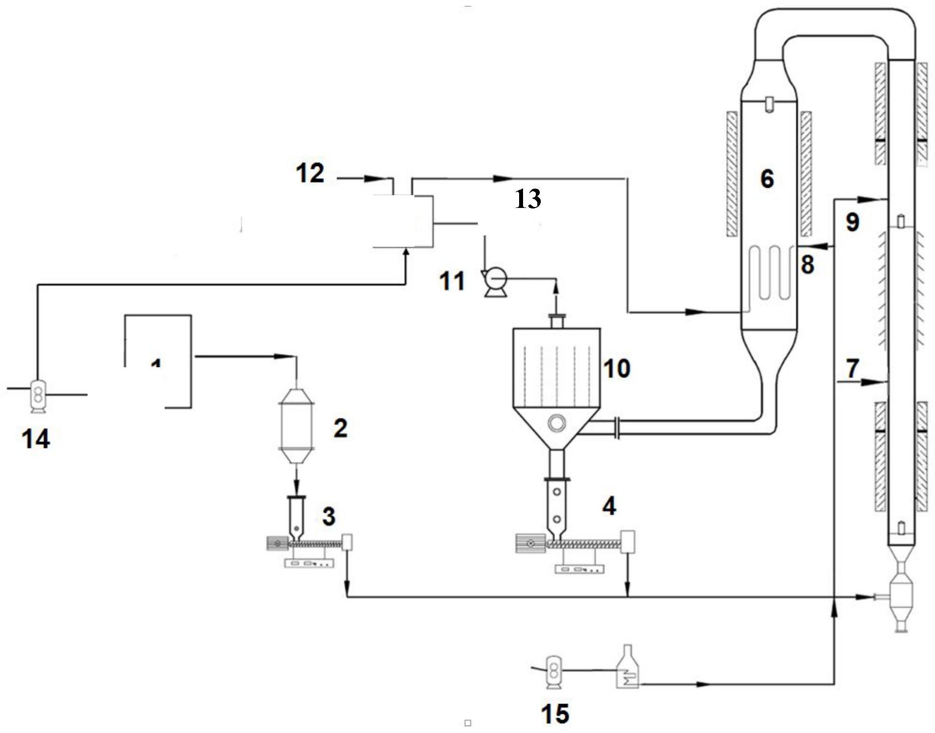
本发明公开了一种二氧化碳增湿矿化的气流床装置及方法,该装置包括进料单元、进气单元、反应单元和分离循环单元,其中:进料单元包括原料加湿机、干燥器、第一螺旋给料机和第二螺旋给料机;进气单元包括气体混合器;反应单元包括气流床反应器和气流床反应器上多处设置的炉内增湿喷嘴;分离循环单元包括布袋除尘器和引风机;通过原料预处理、烟气配湿和反应器内部喷湿结合的方式进行增湿提高矿化脱除CO2效率,采用气流床反应器提高反应接触效率,该装置及方法不仅能有效提高废弃物的利用并且能够降低电厂CO2排放,是一种非常适合我国国情的新型温室气体减排技术。


