授权公布号:CN206816311U
火力发电厂的辅汽系统
有效
申请
2017-04-28
申请公布
1970-01-01
授权
2017-12-29
预估到期
2027-04-28
| 申请号 | CN201720469212.3 |
| 申请日 | 2017-04-28 |
| 授权公布号 | CN206816311U |
| 授权公告日 | 2017-12-29 |
| 分类号 | F01K17/04 |
| 分类 | 一般机器或发动机;一般的发动机装置;蒸汽机; |
| 申请人名称 | 申能股份有限公司 |
| 申请人地址 | 上海市闵行区虹井路159号5楼 |
专利法律状态
2017-12-29
授权
状态信息
授权
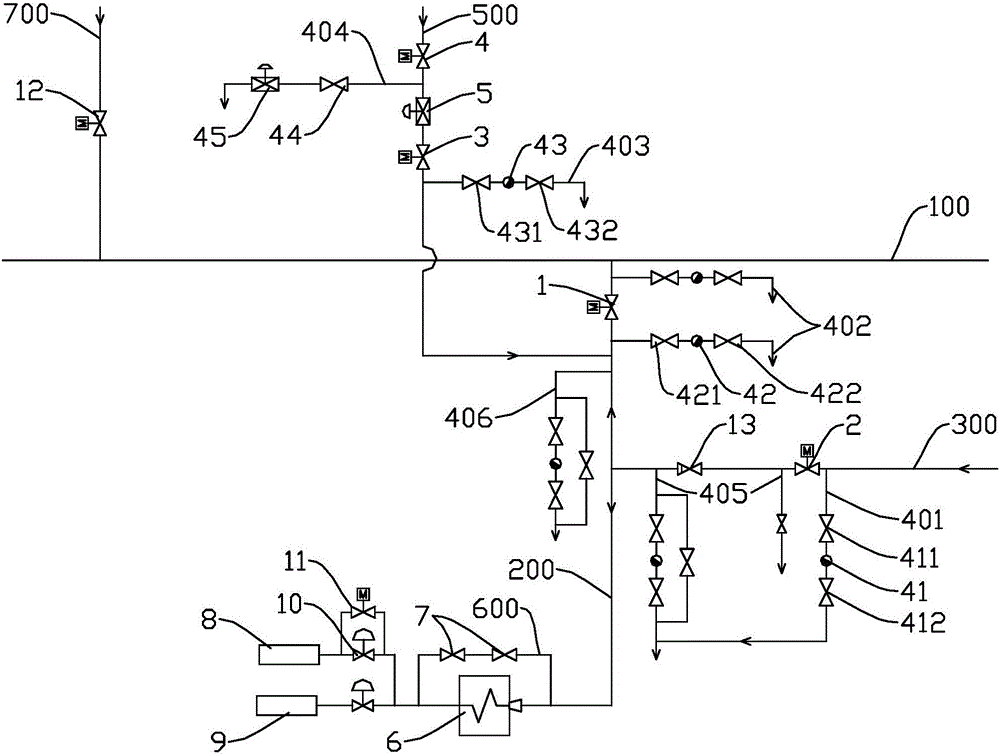
摘要
本实用新型涉及火力发电技术领域,尤其涉及一种火力发电厂的辅汽系统。该辅汽系统包括全厂辅汽母管道以及一个或多个机组辅汽系统,机组辅汽系统包括设于全厂辅汽母管道上的机组辅汽母管道和设于机组辅汽母管道上的低压主蒸汽抽汽管道,机组辅汽母管道上在全厂辅汽母管道与低压主蒸汽抽汽管道之间设有第一阀门,低压主蒸汽抽汽管道上设有第二阀门和位于第二阀门前的第一疏水管道。机组正常运行时,运行机组的机组辅汽母管道中的辅汽由本机组的低压主蒸汽抽汽管道供给,全厂辅汽母管道中的辅汽由所有运行机组中的一个机组的机组辅汽母管道供给。减少了启动锅炉运行时间,提高了辅汽运行安全可靠性。


