授权公布号:CN207147263U
节能型火力发电机组汽侧真空系统
有效
申请
2017-04-28
申请公布
1970-01-01
授权
2018-03-27
预估到期
2027-04-28
| 申请号 | CN201720461465.6 |
| 申请日 | 2017-04-28 |
| 授权公布号 | CN207147263U |
| 授权公告日 | 2018-03-27 |
| 分类号 | F28B9/10 |
| 分类 | 一般热交换; |
| 申请人名称 | 申能股份有限公司 |
| 申请人地址 | 上海市闵行区虹井路159号5楼 |
专利法律状态
2018-03-27
授权
状态信息
授权
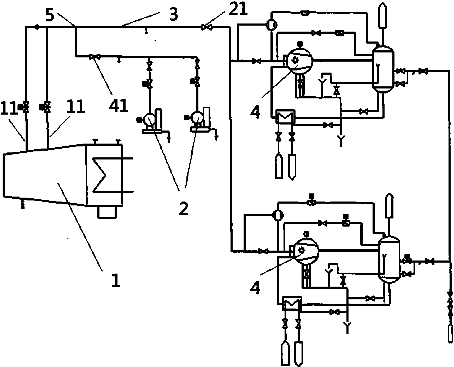
摘要
本实用新型公开了一种节能型火力发电机组汽侧真空系统,包括凝汽器、汽侧真空泵,所述汽侧真空泵通过抽气管路与所述凝汽器的汽侧连通;抽气管路上设有三通,所述三通分别连接所述汽侧真空泵、所述凝汽器以及辅助真空泵,所述辅助真空泵的功率量根据停机状态下所需的真空系统要求配置。本实用新型在现有的汽侧真空泵管路上利用三通并联功率相对较小的辅助真空泵,利用该辅助真空泵满足停机工况下的真空要求,达到降低能耗的作用。


