授权公布号:CN215030580U
一种钢丝绳自动加液循环涂胶装置
有效
申请
2021-03-26
申请公布
1970-01-01
授权
2021-12-07
预估到期
2031-03-26
| 申请号 | CN202120620409.9 |
| 申请日 | 2021-03-26 |
| 授权公布号 | CN215030580U |
| 授权公告日 | 2021-12-07 |
| 分类号 | B05C3/12;B05C11/10;B05C13/02 |
| 分类 | 一般喷射或雾化;对表面涂覆液体或其他流体的一般方法〔2〕; |
| 申请人名称 | 法尔胜泓昇集团有限公司 |
| 申请人地址 | 江苏省无锡市江阴市澄江中路165号 |
专利法律状态
2021-12-07
授权
状态信息
授权
摘要
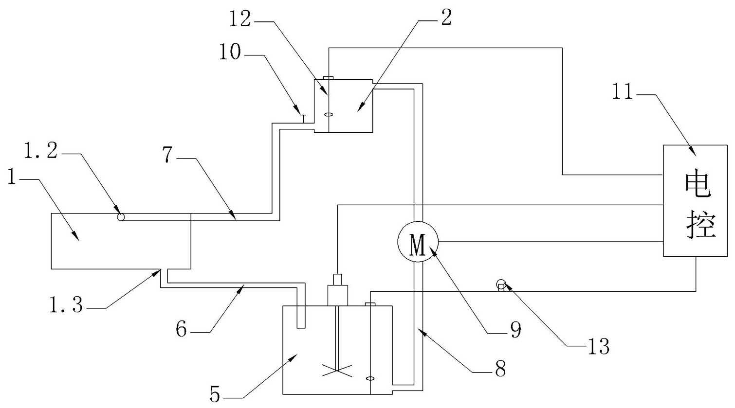
本实用新型涉及一种钢丝绳自动加液循环涂胶装置,其特征在于它包括涂胶箱、加液箱、导流胶槽、钢丝模套、搅拌器、回流管、加液管、导流管、加液泵、流量调节阀和控制器;涂胶箱底部的回流通孔通过回流管与搅拌器连通,搅拌器设置在涂胶箱下方;搅拌器通过导流管与加液箱连通,加液泵设置在导流管上;加液箱设置在涂胶箱上方,加液箱通过加液管与涂胶箱的进胶通孔连通,流量调节阀设置在加液管上;加液泵和搅拌器分别与控制器连接。本实用新型具有操作简单、能自动加液和能降低劳动强度的优点。


