授权公布号:CN208536362U
一种真空热泵加热装置
有效
申请
2018-07-10
申请公布
1970-01-01
授权
2019-02-22
预估到期
2028-07-10
| 申请号 | CN201821083484.0 |
| 申请日 | 2018-07-10 |
| 授权公布号 | CN208536362U |
| 授权公告日 | 2019-02-22 |
| 分类号 | F24H4/02;F24H9/18;F24H9/00 |
| 分类 | 供热;炉灶;通风; |
| 申请人名称 | 广东米特拉电器科技有限公司 |
| 申请人地址 | 广东省河源市龙川县登云镇深圳南山(龙川)产业转移工业园12-3号 |
专利法律状态
2019-02-22
授权
状态信息
授权
摘要
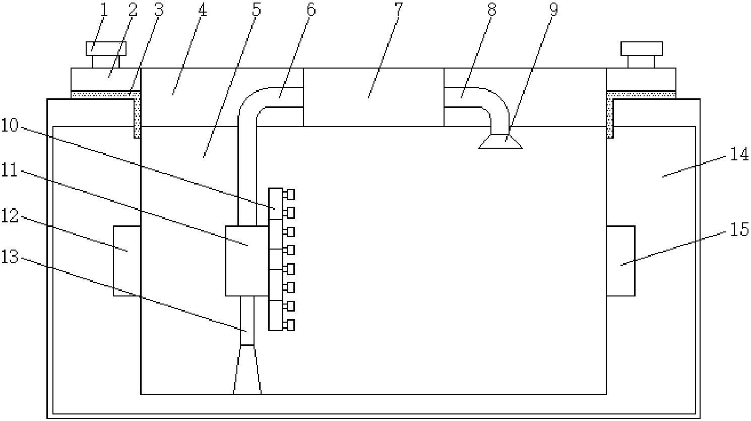
本实用新型公开了一种真空热泵加热装置,包括壳体,所述壳体上安装有热泵箱,所述热泵箱的两侧安装有安装块,所述热泵箱的底部安装有加热箱,所述加热箱的底端安装有固定架,所述固定架上安装有驱动箱,所述热泵箱内安装有热泵机,所述热泵机的一侧连接有进气管,所述热泵机的另一侧连接有出气管,所述出气管延伸至驱动箱内的一端上安装有导气管,所述导气管通过轴承与出气管相连,所述导气管的一端安装有从动齿轮,所述导气管的另一端延伸至驱动箱的外部,所述导气管位于驱动箱的外部的一端连接有排气管,所述驱动箱内安装有电机,所述电机通过减速器与主动齿轮相连。本实用新型,水体加热更加均匀,使用更加方便。


