授权公布号:CN218548120U
一种直缝钢管剩磁600高斯以上的超强剩磁消除设备
有效
申请
2022-10-10
申请公布
1970-01-01
授权
2023-02-28
预估到期
2032-10-10
| 申请号 | CN202222657845.0 |
| 申请日 | 2022-10-10 |
| 授权公布号 | CN218548120U |
| 授权公告日 | 2023-02-28 |
| 分类号 | H01F13/00 |
| 分类 | 基本电气元件; |
| 申请人名称 | 番禺珠江钢管有限公司 |
| 申请人地址 | 广东省广州市番禺区石基镇清河路 |
专利法律状态
2023-02-28
授权
状态信息
授权
摘要
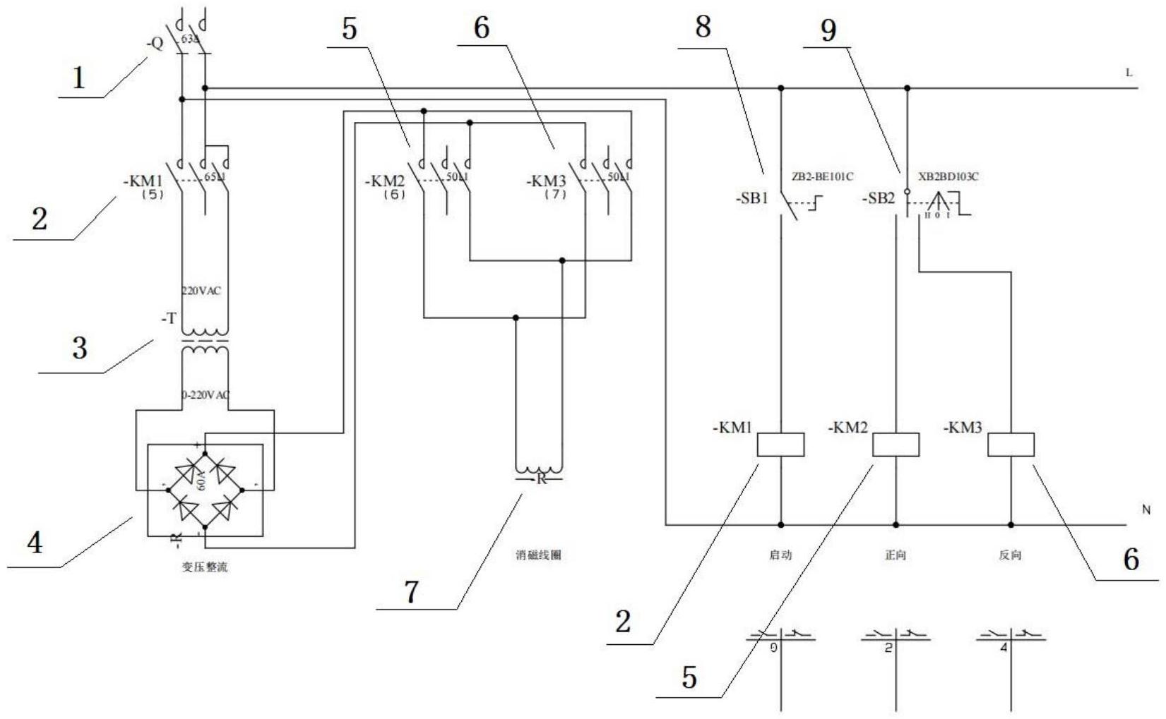
难于本实用新型公开了一种直缝钢管剩磁600高斯以上的超强剩磁消除设备,该设备包括启动接触器KM1、调压器T、整流桥‑R、负极性接触器KM2、正极性接触器KM3及消磁线圈R,消磁线圈内径比钢管外径大30mm~80mm,220V交流电源经启动接触器KM1接入调压器T初级,调压器T次级与整流桥‑R的交流电输入端相连,整流桥‑R的输出直流电压端通过负极性接触器KM2、正极性接触器KM3与消磁线圈R连接,消磁线圈R套在钢管外壁上。本实用新型所述钢管超强剩磁消除设备根据钢管剩磁的极性及大小,按照消磁磁场强度是1.3~1.6倍剩磁磁场强度和反极性的原理,调节调压器电压大小和改变整流模块的输出极性,在一分钟之内平滑的降低电压直到零值,然后切断电源,故障率低,操作灵活。


