授权公布号:CN207309070U
剪板机带钢导向装置
有效
申请
2017-08-14
申请公布
1970-01-01
授权
2018-05-04
预估到期
2027-08-14
| 申请号 | CN201721018106.X |
| 申请日 | 2017-08-14 |
| 授权公布号 | CN207309070U |
| 授权公告日 | 2018-05-04 |
| 分类号 | B23D33/02 |
| 分类 | 机床;不包含在其他类目中的金属加工; |
| 申请人名称 | 山东胜利钢管有限公司 |
| 申请人地址 | 山东省淄博市张店区中埠镇 |
专利法律状态
2018-05-04
授权
状态信息
授权
摘要
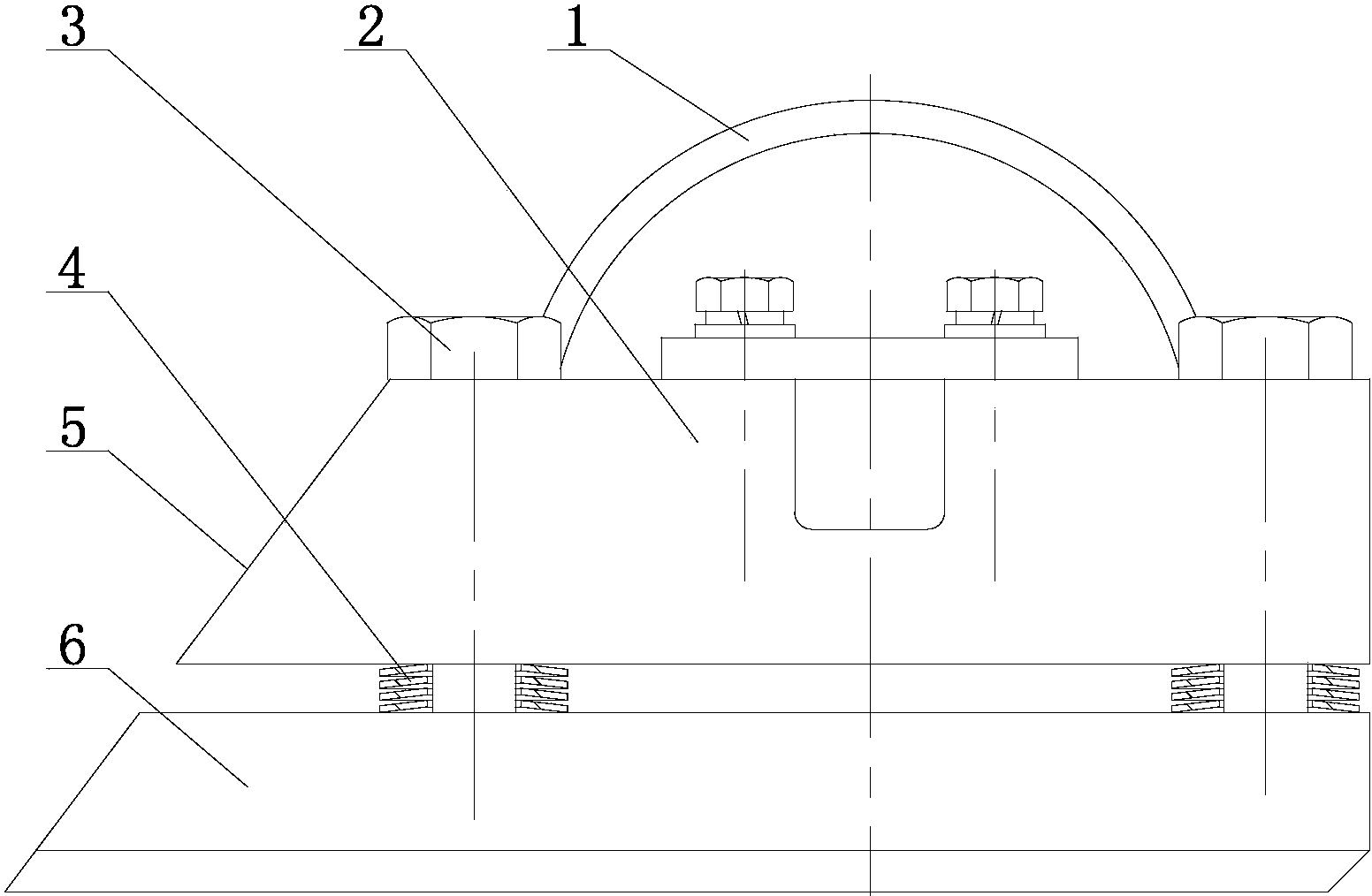
本实用新型主要用于引导带钢进入剪板机,涉及一种螺旋焊管生产线剪板机带钢导向装置,其包括支座和托辊,支座的前部具有斜向上的导向斜面,支座顶端安装托辊轴,托辊通过轴承安装在托辊轴上。本实用新型在传统导向装置中增设了自由转动的托辊,使带钢与导向装置之间的摩擦由滑动摩擦变为滚动摩擦,有效的避免了带钢划伤问题,提高产品质量;增设托辊高度自调节机构,通过调节弹簧和导向螺栓实现了上部活动座及托辊高度的自由调节,从而能够有效的适应带钢的上下浮动,最终有效减少带钢对托辊的冲击,降低故障率。


