授权公布号:CN218766051U
一种便捷式地源热泵热响应测试仪器
有效
申请
2022-11-30
申请公布
1970-01-01
授权
2023-03-28
预估到期
2032-11-30
| 申请号 | CN202223199939.4 |
| 申请日 | 2022-11-30 |
| 授权公布号 | CN218766051U |
| 授权公告日 | 2023-03-28 |
| 分类号 | G01M99/00 |
| 分类 | 测量;测试; |
| 申请人名称 | 重庆海润节能技术股份有限公司 |
| 申请人地址 | 重庆市渝北区北部新区高新园黄山大道中段9号(木星科技大厦厂房2区2层2号) |
专利法律状态
2023-03-28
授权
状态信息
授权
摘要
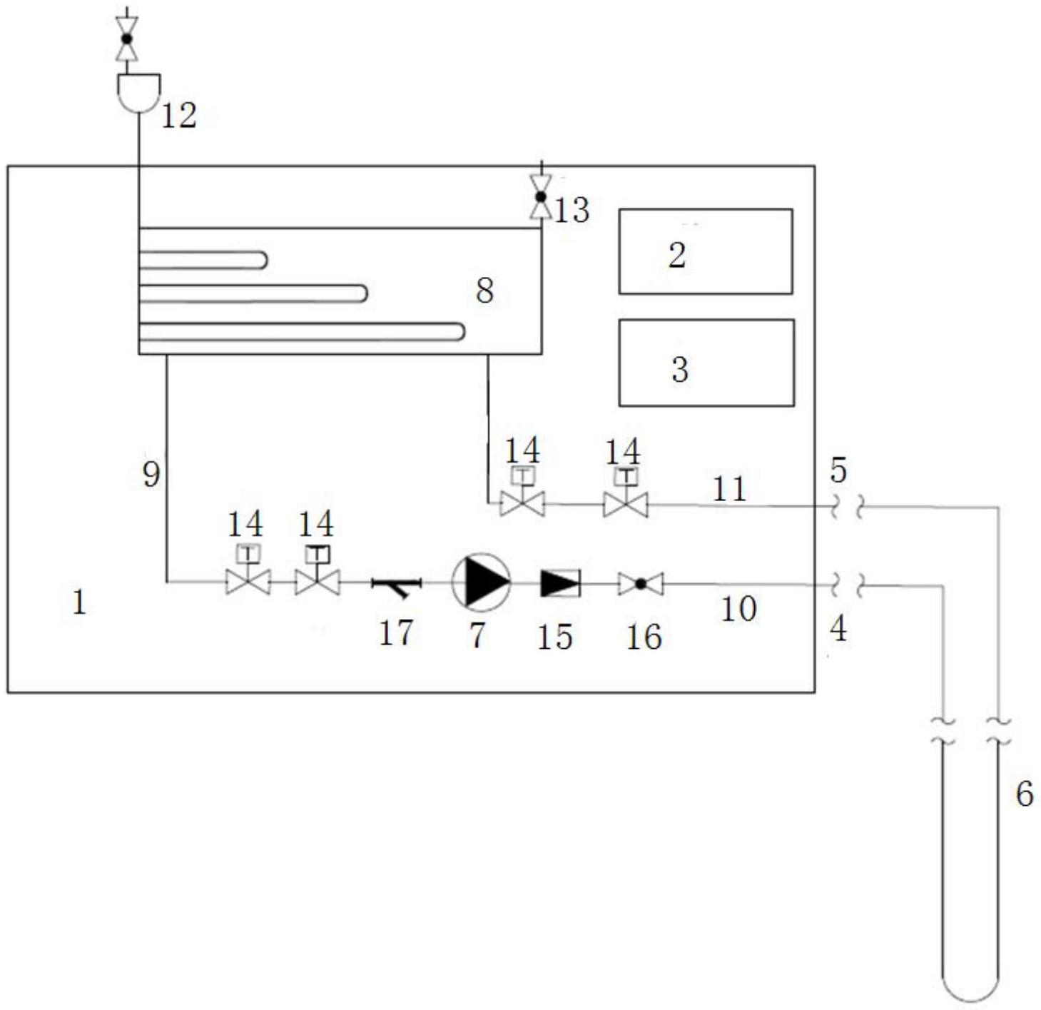
本实用新型提出了一种便捷式地源热泵热响应测试仪器,包括仪器柜,仪器柜包括水泵加热间、控制柜和记录仪间,在仪器柜表面设有用于与地下换热器相连的进水接口和出水接口,在水泵加热间内设有循环水泵和管道式加热器,管道式加热器通过第一供水管路与循环水泵相连,循环水泵通过第二供水管路与进水接口相连,管道式加热器又通过回水管路与出水接口相连,在管道式加热器的顶部连通有一补水箱和一排气阀,补水箱和排气阀均与仪器柜外部相通,在第一供水管路和回水管路上均设有温度传感器,在第二供水管路上设有电磁流量计和球阀,在记录仪间设置有数据记录仪,在控制柜内设有供电电源。本实用新型小巧,轻便,方便搬运,且测试精度高。


