授权公布号:CN216620328U
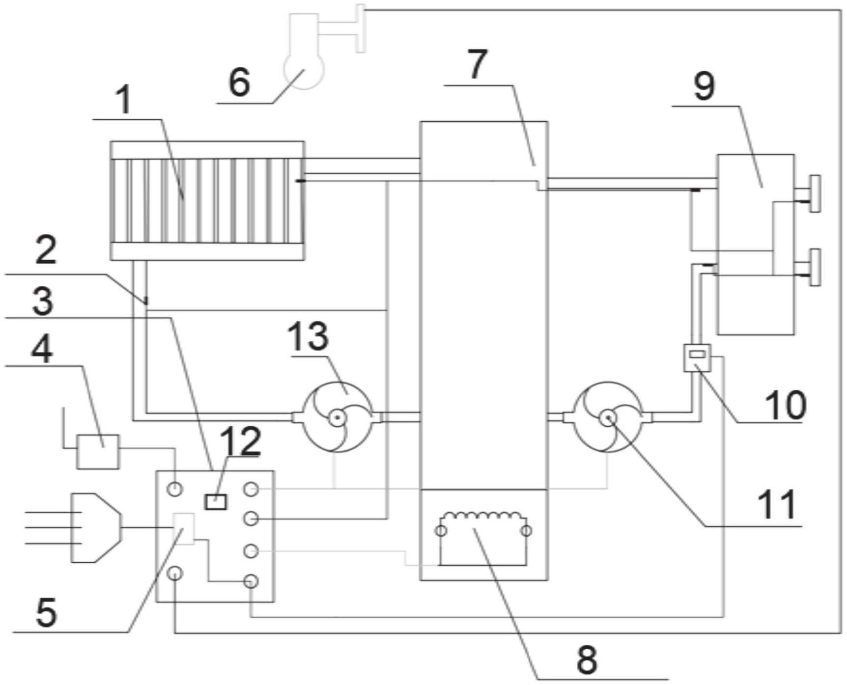
一种利用太阳能光热为原油加热的硬件控制平台
有效
申请
2021-11-30
申请公布
1970-01-01
授权
2022-05-27
预估到期
2031-11-30
| 申请号 | CN202122978301.X |
| 申请日 | 2021-11-30 |
| 授权公布号 | CN216620328U |
| 授权公告日 | 2022-05-27 |
| 分类号 | F24S20/40;F24S10/30;F24S50/00;F24S50/40;F24S60/30 |
| 分类 | 供热;炉灶;通风; |
| 申请人名称 | 皇明太阳能股份有限公司 |
| 申请人地址 | 山东省德州市经济技术开发区太阳谷大道 |
专利法律状态
2022-05-27
授权
状态信息
授权
摘要
本实用新型提供了一种利用太阳能光热为原油加热的硬件控制平台,包括:集热器,均与集热器连接的蓄热水箱、换热器和控制柜,所述蓄热水箱内设有电加热器,所述电加热器连接控制柜,所述蓄热水箱与所述换热器之间设有热媒循环泵。


