授权公布号:CN104110204B
一种具有防盗功能的防蚊纱窗
有效
申请
2014-07-25
申请公布
2014-10-22
授权
2015-12-16
预估到期
2034-07-25
| 申请号 | CN201410356508.5 |
| 申请日 | 2014-07-25 |
| 申请公布号 | CN104110204A |
| 申请公布日 | 2014-10-22 |
| 授权公布号 | CN104110204B |
| 授权公告日 | 2015-12-16 |
| 分类号 | E06B9/52;E06B3/30 |
| 分类 | 一般门、窗、百叶窗或卷辊遮帘;梯子; |
| 申请人名称 | 广东津美家居用品有限公司 |
| 申请人地址 | 广东省佛山市南海区松岗镇山南开发区中区二号 |
专利法律状态
2018-01-16
专利权质押合同登记的生效、变更及注销
状态信息
专利权质押合同登记的生效;IPC(主分类):E06B9/52;登记号:2017440000202;登记生效日:20171222;出质人:广东津美家居用品有限公司;质权人:中国银行股份有限公司佛山分行;发明名称:一种具有防盗功能的防蚊纱窗;申请日:20140725;授权公告日:20151216
2016-04-13
专利申请权、专利权的转移
状态信息
专利权的转移;IPC(主分类):E06B9/52;登记生效日:20160322;变更事项:专利权人;变更前:李国津;变更后:广东津美家居用品有限公司;变更事项:地址;变更前:528200 广东省佛山市南海区大沥镇爱善坊嘉华大厦403房;变更后:528200 广东省佛山市南海区松岗镇山南开发区中区二号
2015-12-16
授权
状态信息
授权
2014-11-26
实质审查的生效
状态信息
实质审查的生效;IPC(主分类):E06B9/52;申请日:20140725
2014-10-22
公布
状态信息
公布
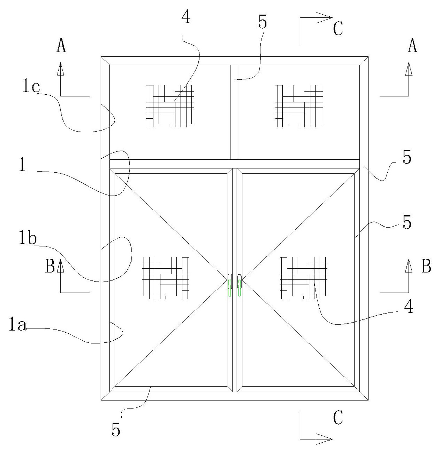
摘要
一种具有防盗功能的防蚊纱窗,包括铝合金框体、防盗防蚊网固定平台、压条、防盗防蚊网、装饰实木框,铝合金框体包括窗框体、窗框,窗框体包括窗框框体、防蚊网框体,其特征在于在铝合金框体外表面设置有镶嵌槽,外实木框固定在铝合金框体外表面上,内实木框通过镶嵌槽固定在窗框和防蚊网框体的防盗防蚊网固定平台上。本发明与已有技术相比,具有能牢固地安装装饰实木窗框的优点。


