授权公布号:CN214915377U
一种内墙乳胶漆施工用颜色调配装置
有效
申请
2021-10-09
申请公布
1970-01-01
授权
2021-11-30
预估到期
2031-10-09
| 申请号 | CN202120155979.5 |
| 申请日 | 2021-10-09 |
| 授权公布号 | CN214915377U |
| 授权公告日 | 2021-11-30 |
| 分类号 | B01F7/26;B01F15/00 |
| 分类 | 一般的物理或化学的方法或装置; |
| 申请人名称 | 福建初日涂料科技有限公司 |
| 申请人地址 | 福建省莆田市涵江区白塘镇镇前村 |
专利法律状态
2021-11-30
授权
状态信息
授权
摘要
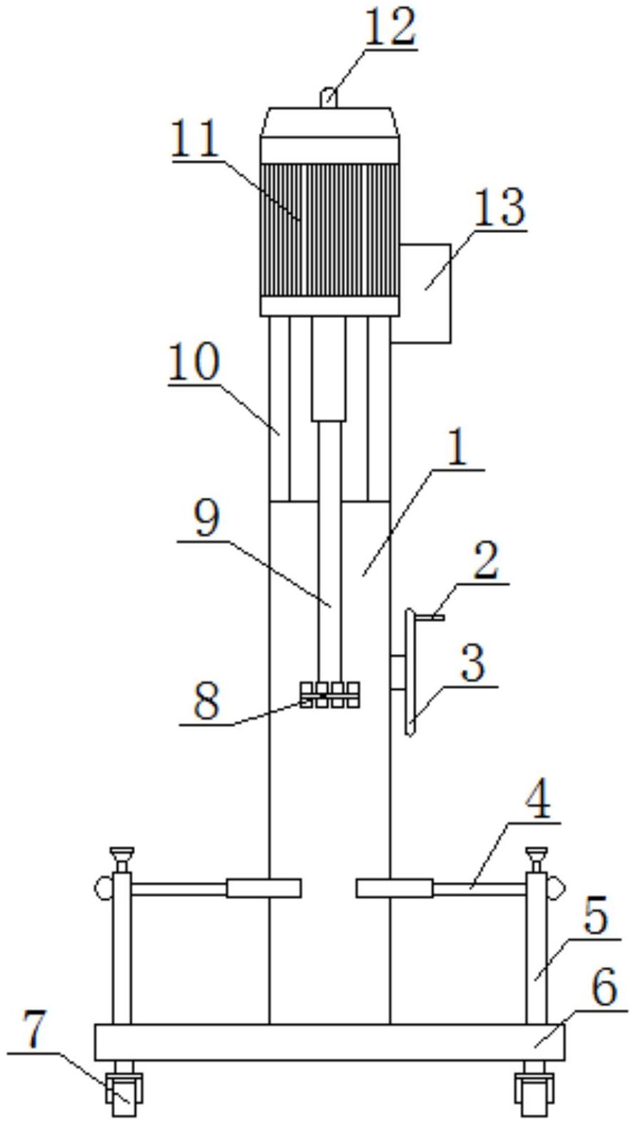
本实用新型公开一种内墙乳胶漆施工用颜色调配装置,包括机体和控制箱,所述机体的右端在位于上方位置处设置有控制箱,所述升降手轮的右端在位于上方位置处套接有固定手柄,固定手柄设置有防滑手柄、固定柱和弹簧卡扣,防滑手柄和固定柱焊接在一起的,且防滑手柄通过固定柱左右两端位置处的弹簧卡扣与升降手轮进行固定连接,当防滑手柄和升降手轮进行固定连接时,使得弹簧卡扣卡进固定圆孔中的半圆形凹槽内部位置处,即可使得防滑手柄与升降手轮安装成功,工作人与就可以通过防滑手柄来操控升降手轮,当拆卸时只需要往外侧拉动防滑手柄,使得弹簧卡扣脱离半圆形凹槽,最后将固定柱从固定圆孔内部位置处拿出,即可拆卸成功。


