授权公布号:CN214877596U
一种自动进出料装置
有效
申请
2021-06-09
申请公布
1970-01-01
授权
2021-11-26
预估到期
2031-06-09
| 申请号 | CN202121290585.7 |
| 申请日 | 2021-06-09 |
| 授权公布号 | CN214877596U |
| 授权公告日 | 2021-11-26 |
| 分类号 | B65G13/06;B65G13/11;B65G47/04;B65G47/52;B66F7/16;B66F9/22 |
| 分类 | 输送;包装;贮存;搬运薄的或细丝状材料; |
| 申请人名称 | 江苏佳饰家新材料集团股份有限公司 |
| 申请人地址 | 江苏省常州市武进区横林镇卫星村南孟路26号 |
专利法律状态
2021-11-26
授权
状态信息
授权
摘要
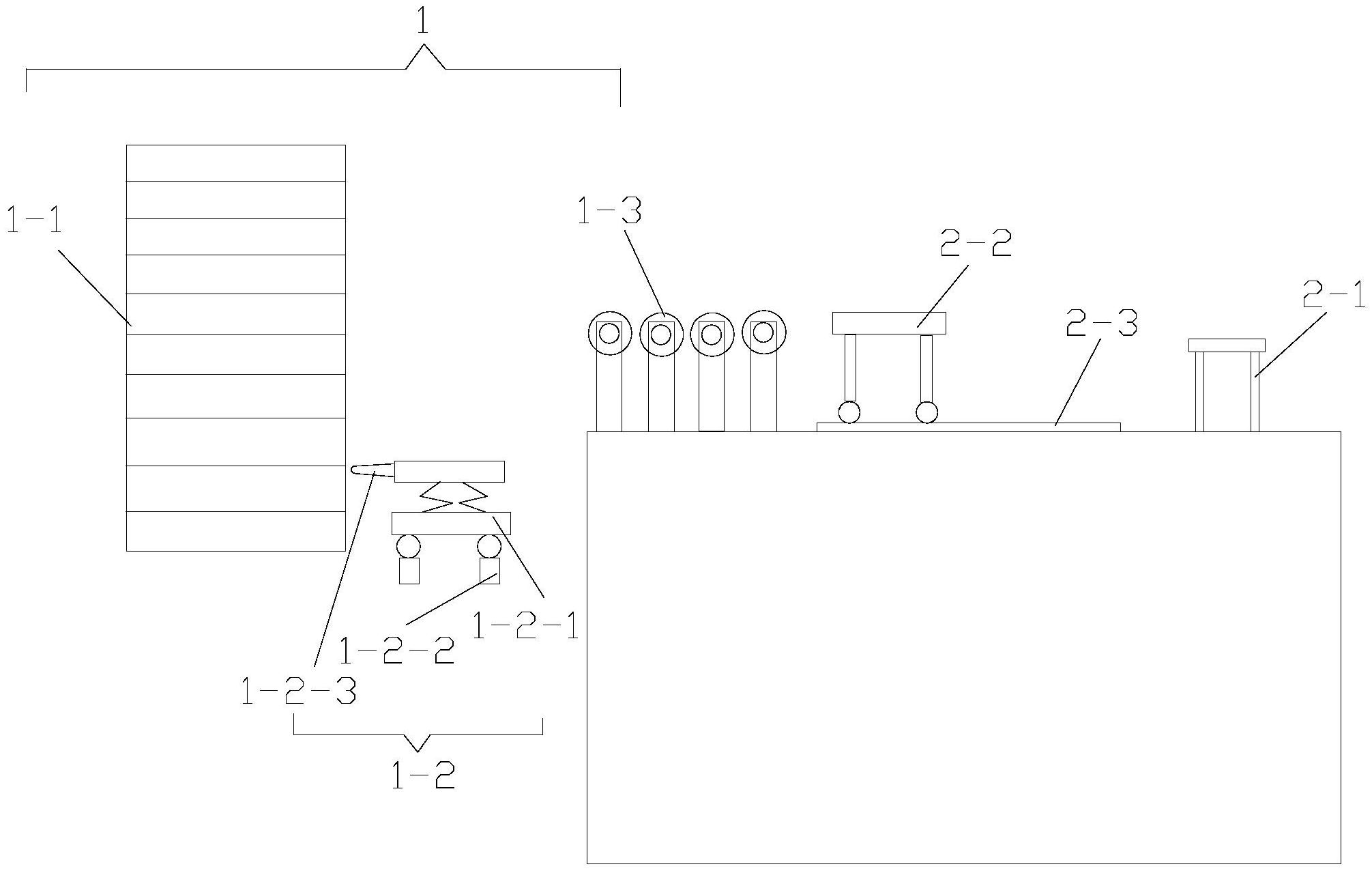
一种自动进出料装置,其特征在于,包括送料装置、下料装置和传送装置;所述送料装置包括第一置物架,第一中转装置和第一传动辊,所述下料装置包括第二置物架,第二中转装置和第二传动辊,所述传送装置包括操作台和传送平台;所述送料装置和下料装置分别设置于传送装置的两端;本实用新型所述的自动进出料装置,通过送料装置、传送装置和下料装置的互相配合实现自动化运输,省时省力;同时设有操作台,方便直接对物料进行加工处理,节省了时间,提高了效率。


