授权公布号:CN215908215U
一种管片螺栓
有效
申请
2021-07-21
申请公布
1970-01-01
授权
2022-02-25
预估到期
2031-07-21
| 申请号 | CN202121670780.2 |
| 申请日 | 2021-07-21 |
| 授权公布号 | CN215908215U |
| 授权公告日 | 2022-02-25 |
| 分类号 | F16B33/02;F16B35/00 |
| 分类 | 工程元件或部件;为产生和保持机器或设备的有效运行的一般措施;一般绝热; |
| 申请人名称 | 上海高强度螺栓厂有限公司 |
| 申请人地址 | 上海市宝山区共祥路175号 |
专利法律状态
2022-02-25
授权
状态信息
授权
摘要
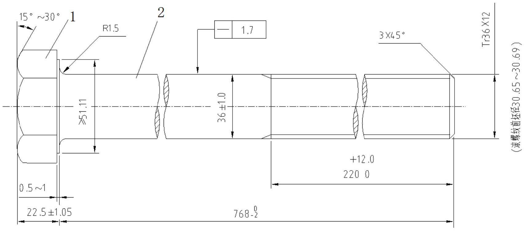
本实用新型公开了一种管片螺栓,包括螺栓本体和螺纹套,所述螺栓本体包括螺栓柱和螺栓头,螺栓柱和一端与螺栓头连接,另一端设有梯形外螺纹,所述螺纹套套设在梯形外螺纹上,螺纹套内设有与梯形外螺纹配合的梯形内螺纹,所述梯形内螺纹的长度与梯形外螺纹的长度相等,梯形内螺纹的牙顶宽小于梯形外螺纹的槽底宽,梯形内螺纹的大径大于梯形外螺纹的大径。本实用新型通过对梯形外螺纹和内螺纹的尺寸形状进行设计,能实现螺栓本体自由旋进旋出螺纹套,旋合过程中不会产生阻力,且旋合后螺栓柱和螺纹套之间存在均匀的间隙,不会产生相互干涉。


