授权公布号:CN218868247U
小型无线组网传输系统
有效
申请
2022-12-27
申请公布
1970-01-01
授权
2023-04-14
预估到期
2032-12-27
| 申请号 | CN202223491167.1 |
| 申请日 | 2022-12-27 |
| 授权公布号 | CN218868247U |
| 授权公告日 | 2023-04-14 |
| 分类号 | H04L12/44;H04W84/18 |
| 分类 | 电通信技术; |
| 申请人名称 | 通用技术集团哈尔滨量具刃具有限责任公司 |
| 申请人地址 | 黑龙江省哈尔滨市香坊区和平路44号 |
专利法律状态
2023-04-14
授权
状态信息
授权
摘要
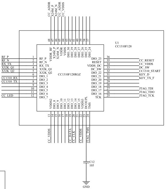
小型无线组网传输系统。无线数传和组网过程需要多块数显量表对一个接收头进行发送数据,数据传输中会出现丢数和数据串行等现象。本实用新型组成包括发送节点模块和接收节点模块;所述的发送节点模块包括第一数据传输接口、第一主处理芯片、第一发送数据完成显示二极管和第一滤波器;第一主处理芯片与第一数据传输接口和第一发送数据完成显示二极管连接;第一滤波器与第一匹配网络相连,第一匹配网络与第一主处理芯片相连;接收节点模块包括第二数据传输接口、第二主处理芯片、第二串口转换芯片、第二滤波器和第二数据传输指示二极管。本实用新型用于小型无线组网传输。


