授权公布号:CN210435681U
一种节流阀装配生产线的阀体密封圈自动安装装置
有效
申请
2019-03-29
申请公布
1970-01-01
授权
2020-05-01
预估到期
2029-03-29
| 申请号 | CN201920426097.0 |
| 申请日 | 2019-03-29 |
| 授权公布号 | CN210435681U |
| 授权公告日 | 2020-05-01 |
| 分类号 | B23P19/08 |
| 分类 | 机床;不包含在其他类目中的金属加工; |
| 申请人名称 | 宁波英特灵气动科技有限公司 |
| 申请人地址 | 浙江省宁波市奉化区东峰路80号(B幢101-4室) |
专利法律状态
2020-05-01
授权
状态信息
授权
摘要
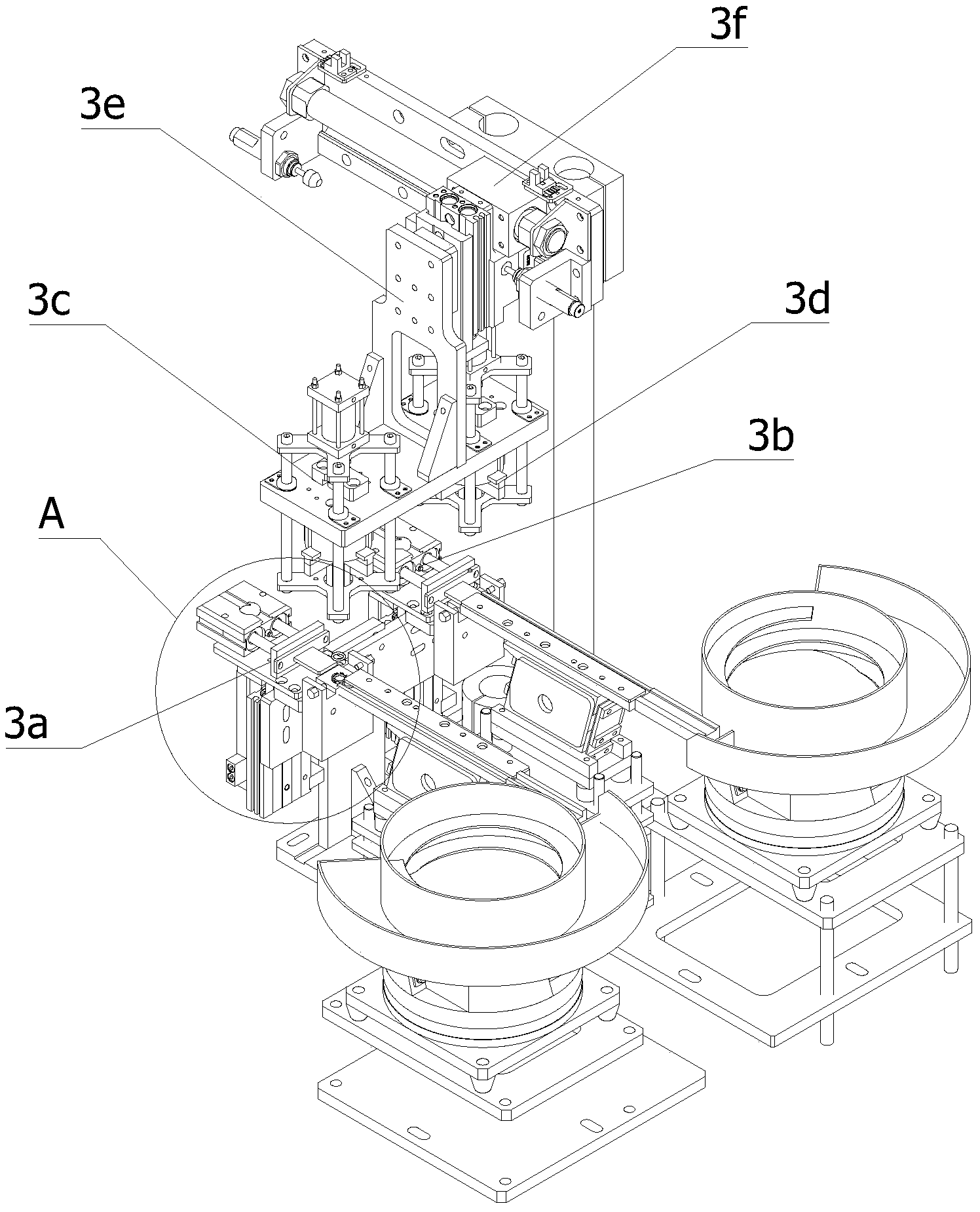
本实用新型涉及节流阀自动装配设备技术领域,具体地,涉及一种节流阀装配生产线的阀体密封圈自动安装装置,包括有第一密封圈上料台、第二密封圈上料台、第一密封圈安装机械手、第二密封圈安装机械手和机械手固定支架,第一密封圈安装机械手和第二密封圈安装机械手并排安装在机械手固定支架上,机械手固定支架固定安装在支架移动机构的工作端,第一密封圈上料台和第二密封圈上料台结构相同,第一密封圈安装机械手和第二密封圈安装机械手结构相同,第二密封圈安装机械手的工作端水平高度高于第一密封圈安装机械手的工作端,该装置能够一次同时完成安装阀体顶端和中端的两个密封圈的工序。


