授权公布号:CN109827767B
一种液压阀自动测试台架
有效
申请
2019-02-28
申请公布
2019-05-31
授权
2024-03-01
预估到期
2039-02-28
| 申请号 | CN201910151947.5 |
| 申请日 | 2019-02-28 |
| 申请公布号 | CN109827767A |
| 申请公布日 | 2019-05-31 |
| 授权公布号 | CN109827767B |
| 授权公告日 | 2024-03-01 |
| 分类号 | G01M13/003;G05D27/02 |
| 分类 | 测量;测试; |
| 申请人名称 | 上海立新液压有限公司 |
| 申请人地址 | 上海市闵行区朱行路81号 |
专利法律状态
2024-03-01
授权
状态信息
授权
2019-06-25
实质审查的生效
状态信息
实质审查的生效;IPC(主分类):G01M13/003;申请日:20190228
2019-05-31
公布
状态信息
公布
摘要
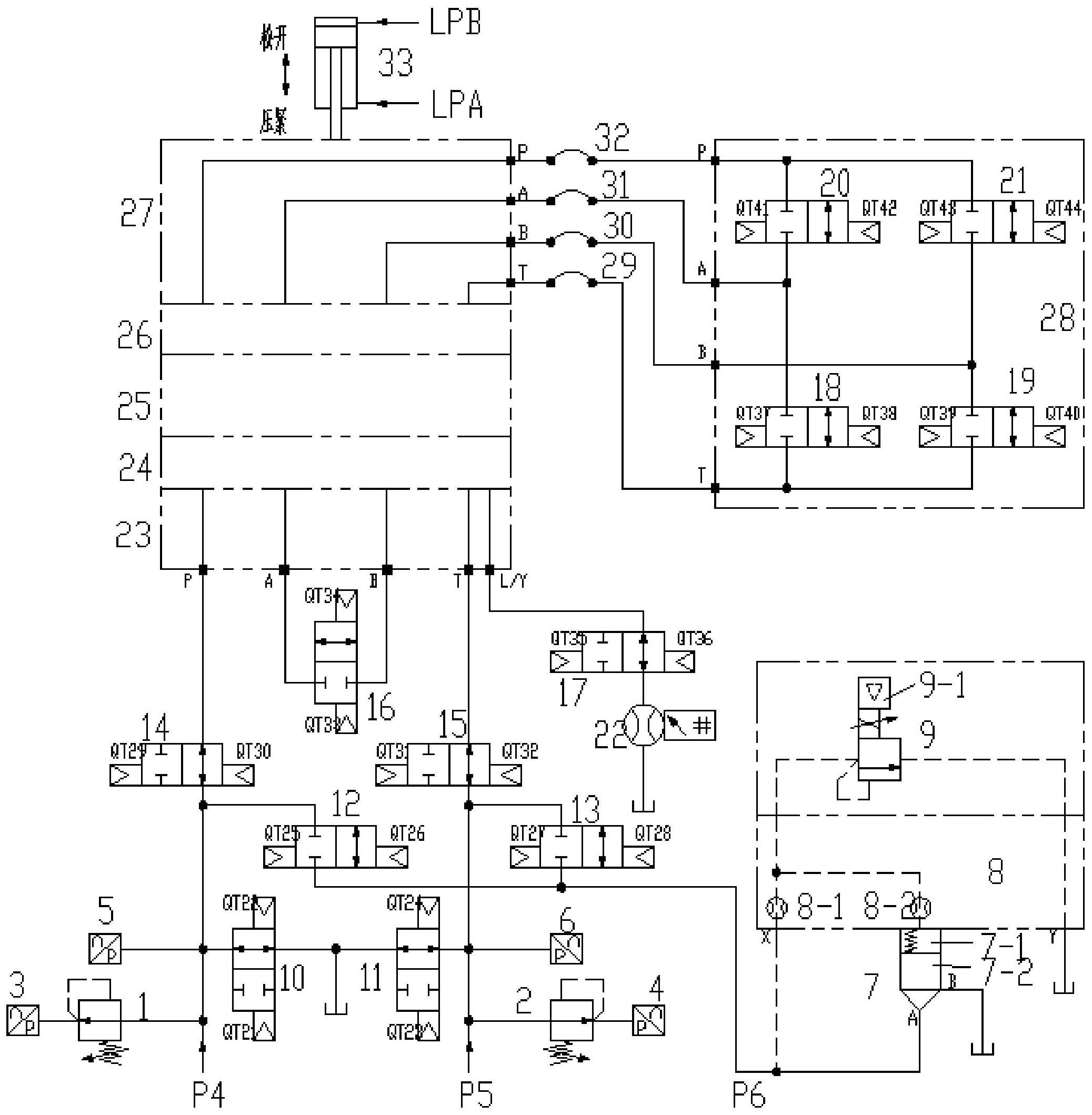
本发明公开了一种液压阀自动测试台架,其包括:第一油路节点和第二油路节点;第三油路节点;第一限压阀;第二限压阀;卸载通路;加载通路;二通插装阀;盖板;比例调压阀;第一气控换向阀;第二气控换向阀;基座油路块,基座油路块上方叠加一个下过渡块;上压板油路块,上压板油路块的下方叠加一个上过渡块;被试阀,被试阀分别与上过渡块和下过渡块的内部通道相适应;上油路转换块,上油路转换块与上压板油路块配合连接;压紧油缸,压紧油缸与被试阀配合连接。本发明通过液压压紧、灵活自动搭建试验管路以适应各种不同的被试阀、自动调节压力和流量的液压测试台架,结构简单紧凑,减轻了劳动强度,提高了工作效率。


