授权公布号:CN218461323U
支柱式电流互感器焊接工艺用可滑动工装
有效
申请
2022-08-23
申请公布
1970-01-01
授权
2023-02-10
预估到期
2032-08-23
| 申请号 | CN202222214549.3 |
| 申请日 | 2022-08-23 |
| 授权公布号 | CN218461323U |
| 授权公告日 | 2023-02-10 |
| 分类号 | B23K37/04 |
| 分类 | 机床;不包含在其他类目中的金属加工; |
| 申请人名称 | 大连第一互感器有限责任公司 |
| 申请人地址 | 辽宁省大连市普兰店区海湾路29号 |
专利法律状态
2023-02-10
授权
状态信息
授权
摘要
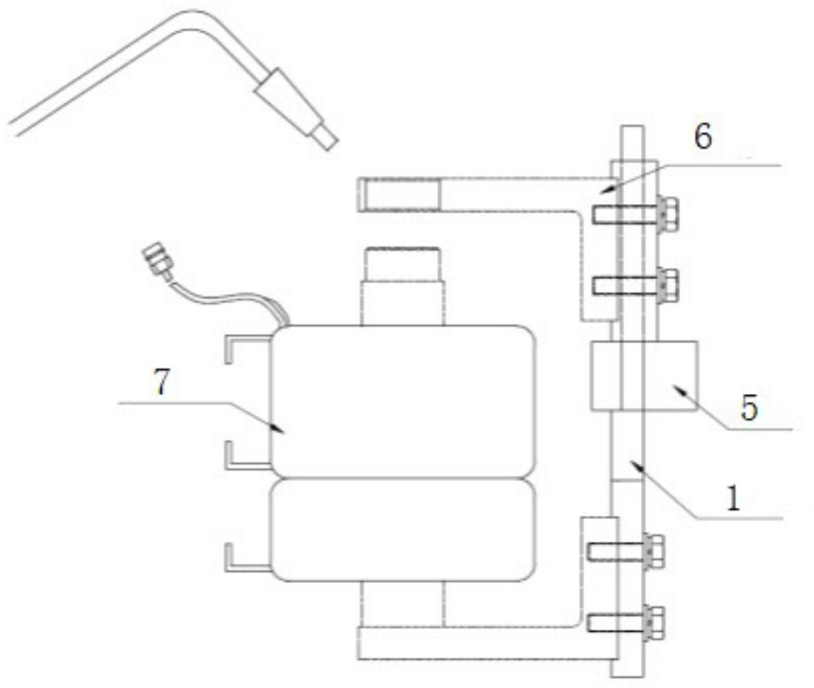
本实用新型公开了一种支柱式电流互感器焊接工艺用可滑动工装,包括可滑动焊接固定板、一次导体上固定板、一次导体下固定板和垫块,所述的一次导体上固定板与可滑动焊接固定板的上端连接,用于固定一次导体上端,所述的一次导体下固定板与可滑动焊接固定板下端连接,用于固定一次导体下端,所述的可滑动焊接固定板的上端开有滑槽,所述的一次导体上固定板卡在滑槽内,且在滑槽内上下移动,垫块置于滑槽底部,垫块上端承托一次导体上固定板,垫块的下端顶靠在滑槽的底部。采用此焊接用工装,支柱式电流互感器在焊接一次导体时,二次线圈远离焊接处,加热一次导体时产生的温度不会对二次线圈的质量造成影响,此工艺降低了生产成本,提高生产效率。


