授权公布号:CN216558994U
编码器的电路结构
有效
申请
2021-12-28
申请公布
1970-01-01
授权
2022-05-17
预估到期
2031-12-28
| 申请号 | CN202123397168.5 |
| 申请日 | 2021-12-28 |
| 授权公布号 | CN216558994U |
| 授权公告日 | 2022-05-17 |
| 分类号 | G01D5/244 |
| 分类 | 测量;测试; |
| 申请人名称 | 欣灵电气股份有限公司 |
| 申请人地址 | 浙江省温州市乐清经济开发区纬十九路328号 |
专利法律状态
2022-05-17
授权
状态信息
授权
摘要
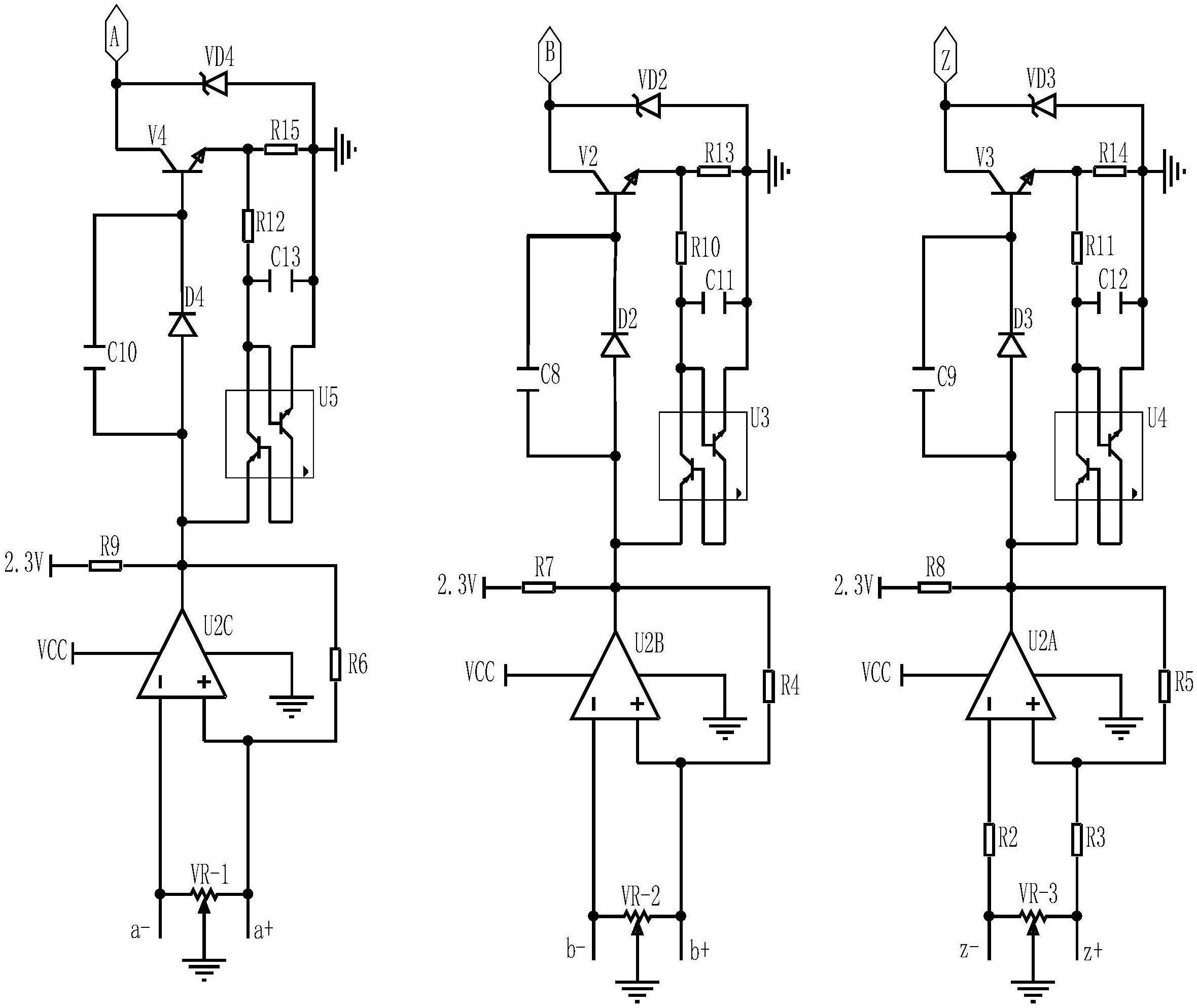
本实用涉及一种编码器的电路结构,包括电源电路,光电转换电路,A、B和Z路信号处理电路,光电转换电路的三路输出分别接入A、B和Z路信号处理电路的输入端,A、B和Z路信号处理电路采用相同的电路结构,A路信号处理电路包括运放,A路信号处理电路的输入端a‑、a+分别接至运放的反相端和同相端,运放的输出端经上拉电阻连接至第一直流电源,运放的输出端接至第一三极管的基极,第一三极管的集电极引出A相输出信号,第一三极管的发射极经采样电阻连接至地,运放的输出接至触发导通组件的输入端,触发导通组件的第一输出端经电阻接至采样电阻的连接端,触发导通组件的第二输出端接至地。本实用具有结构简单,保护可靠的特点。


