授权公布号:CN114590736B
一种可伸缩调节的千斤顶
有效
申请
2022-03-15
申请公布
2022-06-07
授权
2024-01-12
预估到期
2042-03-15
| 申请号 | CN202210252080.4 |
| 申请日 | 2022-03-15 |
| 申请公布号 | CN114590736A |
| 申请公布日 | 2022-06-07 |
| 授权公布号 | CN114590736B |
| 授权公告日 | 2024-01-12 |
| 分类号 | B66F5/04 |
| 分类 | 卷扬;提升;牵引; |
| 申请人名称 | 宁波市奉化区南方机械制造有限公司 |
| 申请人地址 | 浙江省宁波市奉化区尚田镇镇西路50号 |
专利法律状态
2024-01-12
授权
状态信息
授权
2022-06-24
实质审查的生效
状态信息
实质审查的生效;IPC(主分类):B66F5/04;申请日:20220315
2022-06-07
公布
状态信息
公布
摘要
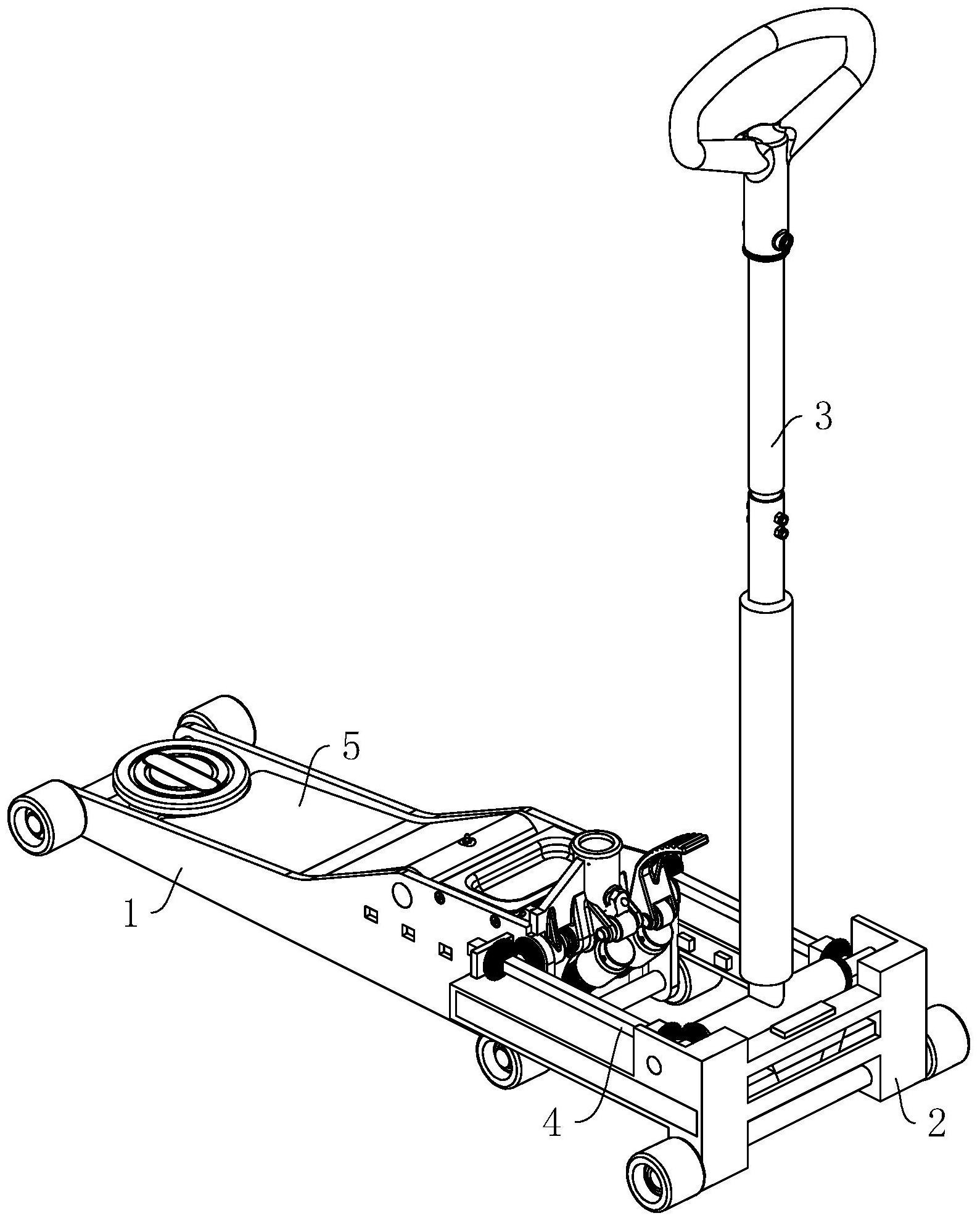
本发明涉及维修液压举升工具的技术领域,尤其是涉及一种可伸缩调节的千斤顶。其包括托架、伸缩架、把手、传动机构以及托举机构,所述托举机构设置于所述托架内,所述伸缩架滑移连接于所述托架上,所述传动机构设置于托架与所述伸缩架之间;所述把手转动连接于所述伸缩架内,所述把手通过所述传动机构按动所述托举机构的快速泵。本申请具有提高托举大型汽车的操作平稳性的效果。


