授权公布号:CN212909378U
一种用于固态继电器的降压电路
有效
申请
2020-10-13
申请公布
1970-01-01
授权
2021-04-06
预估到期
2030-10-13
| 申请号 | CN202022266803.5 |
| 申请日 | 2020-10-13 |
| 授权公布号 | CN212909378U |
| 授权公告日 | 2021-04-06 |
| 分类号 | H02M7/217;H03K17/795;H03K17/79;H03K17/567 |
| 分类 | 发电、变电或配电; |
| 申请人名称 | 浙江利尔德继电器有限公司 |
| 申请人地址 | 浙江省温州市乐清市柳市镇新光大道振兴路6号 |
专利法律状态
2021-04-06
授权
状态信息
授权
摘要
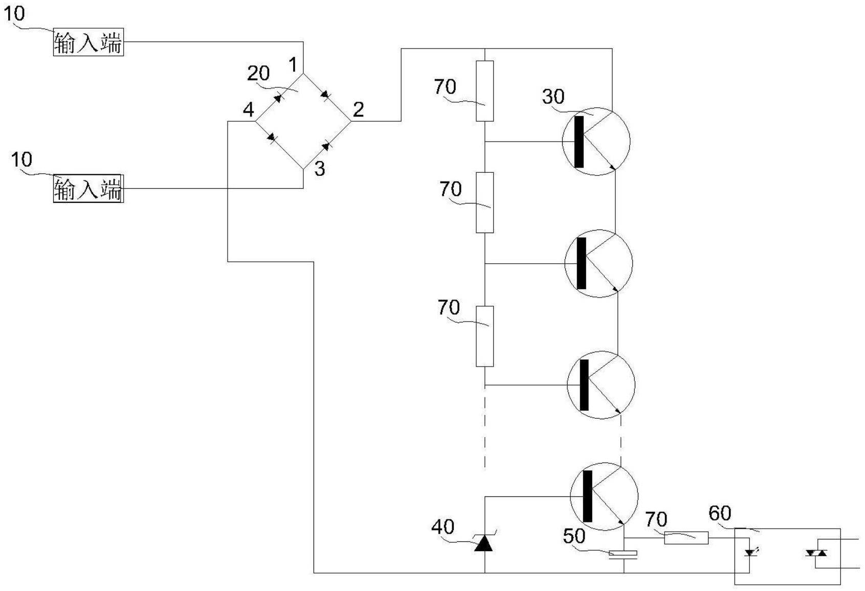
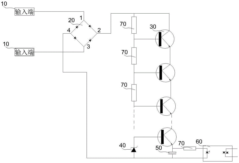
本实用新型为一种用于固态继电器的降压电路,有以下几部分:1、端口连接部分,固态继电器交流输入端口连接交流电压(50‑300V),经桥式整流后变成没有滤波的直流电压,这样就可以省了一个昂贵的高压滤波电容,产生较好的经济效益。2、三极管串联降压,由多路三极管串联起来,采用同种型号多只三极管,每个管承担部分经整流后的直流电压,使电压最后降到符合光电耦合器的工作要求。3、稳压恒流部分,在最后一级三极管的基极连接一个稳压管,利用稳压管和三极管的特性,使其施加到光电耦合器输入端的电压电流为非常稳定的电压和电流,保障其工作的可靠性。


