授权公布号:CN110242126B
电动吸合锁
有效
申请
2019-07-08
申请公布
2019-09-17
授权
2024-02-20
预估到期
2039-07-08
| 申请号 | CN201910611125.0 |
| 申请日 | 2019-07-08 |
| 申请公布号 | CN110242126A |
| 申请公布日 | 2019-09-17 |
| 授权公布号 | CN110242126B |
| 授权公告日 | 2024-02-20 |
| 分类号 | E05B83/18;E05B81/06;E05B81/34;E05B81/20;E05B81/16;E05B81/50;E05B81/90 |
| 分类 | 锁;钥匙;门窗零件;保险箱; |
| 申请人名称 | 烟台三环锁业集团股份有限公司 |
| 申请人地址 | 山东省烟台市芝罘区西南河路47号 |
专利法律状态
2024-02-20
授权
状态信息
授权
2019-10-15
实质审查的生效
状态信息
实质审查的生效;IPC(主分类):E05B83/18;申请日:20190708
2019-09-17
公布
状态信息
公布
摘要
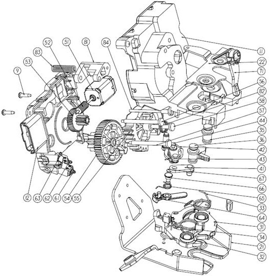
本发明涉及一种电动吸合锁,包括外壳、支撑架与设置在其内部的啮合机构,吸合机构,电动执行机构,信号机构,应急开启机构与应急复位机构几个组成部分。通过以上机构系统的组合,此款锁可以实现电动开启,电控雪载,电动吸合锁闭,应急开启,内部机构应急复位功能,且可以提供三个开关状态信号以便识别控制锁体状态。此款锁可以利用一个马达正的反转即可实现电动开启与电动吸合锁闭功能,同时具有开启速度较快,吸合密封力较大的优点,是一种体积小、重量轻、多功能的电动开启吸合一体式单马达门锁。


