授权公布号:CN208978328U
一种用于压片糖果生产的压片装置
有效
申请
2018-07-23
申请公布
1970-01-01
授权
2019-06-14
预估到期
2028-07-23
| 申请号 | CN201821166594.3 |
| 申请日 | 2018-07-23 |
| 授权公布号 | CN208978328U |
| 授权公告日 | 2019-06-14 |
| 分类号 | B30B15/00;B30B15/30 |
| 分类 | 压力机; |
| 申请人名称 | 安徽亨博士保健食品有限公司 |
| 申请人地址 | 安徽省阜阳市颍东区经济开发区富强西路 |
专利法律状态
2019-06-14
授权
状态信息
授权
摘要
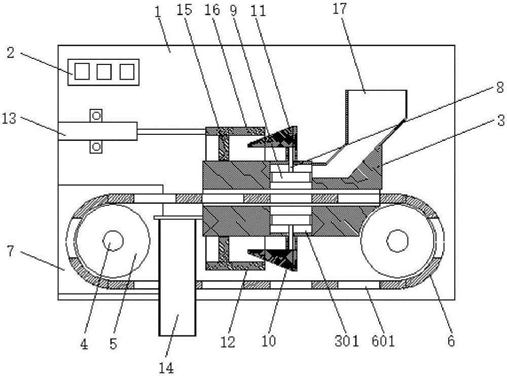
本实用新型公开了一种用于压片糖果生产的压片装置,包括立板,所述立板的前侧面上侧安装有控制开关,所述控制开关的输入端与外部电源的输出端电连接,所述立板的前侧面中部安装有料座,所述料座的中部设有水平方向的通孔,本用于压片糖果生产的压片装置,结构简单,使用方便,通过相对的两个压板进行冲压,挤出原料内的空气,从而形成紧密结合的片状糖果,加工时,两块压板同时运动,使得原料上下侧受压均匀稳定,有利于原料内空气的同步排出,保证压片糖果的密度均匀,不易发生裂缝或者断裂,配合带有料孔的皮带进行送料,实现压片糖果连续的生产和加工,运行稳定,方便进行检修,提高了片状糖果的生产效率。


