授权公布号:CN220588886U
拔河训练装置
有效
申请
2023-08-17
申请公布
1970-01-01
授权
2024-03-15
预估到期
2033-08-17
| 申请号 | CN202322229037.9 |
| 申请日 | 2023-08-17 |
| 授权公布号 | CN220588886U |
| 授权公告日 | 2024-03-15 |
| 分类号 | A63B69/00 |
| 分类 | 运动;游戏;娱乐活动; |
| 申请人名称 | 南通铁人运动用品有限公司 |
| 申请人地址 | 江苏省南通市崇川经济开发区崇川路21号 |
专利法律状态
2024-03-15
授权
状态信息
授权
摘要
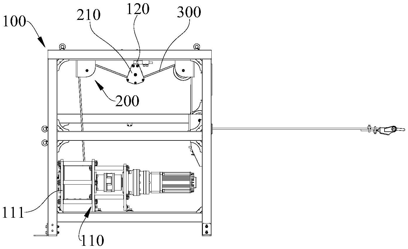
本申请公开了一种拔河训练装置,包括:机架,其固定连接有固定座;滑轮组,其连接于机架;钢丝绳;卷绕轮,其卷绕有钢丝绳,卷绕轮与固定座转动连接,钢丝绳的一端绕过滑轮组后从机架的一侧穿出;驱动机构,其用于驱动卷绕轮转动并为卷绕轮转动提供阻力;限位器,其环绕卷绕轮,限位器设置有摆动部和供钢丝绳穿过的腰孔;摆动限位机构,其包括限位杆、第一触发器和第二触发器,限位杆固定连接有第一限位块和第二限位块,摆动部在第一限位块和第二限位块之间运动,限位杆两端分别穿过固定座,限位杆的一侧固定连接有触发杆,触发杆位于第一触发器和第二触发器之间。避免出现卷绕轮卷绕钢丝绳过长或者过短的情况。


