授权公布号:CN113030557B
电流检测电路及电流检测方法
有效
申请
2021-03-11
申请公布
2021-06-25
授权
2023-06-27
预估到期
2041-03-11
| 申请号 | CN202110266764.5 |
| 申请日 | 2021-03-11 |
| 申请公布号 | CN113030557A |
| 申请公布日 | 2021-06-25 |
| 授权公布号 | CN113030557B |
| 授权公告日 | 2023-06-27 |
| 分类号 | G01R19/25 |
| 分类 | 测量;测试; |
| 申请人名称 | 北京动力源科技股份有限公司 |
| 申请人地址 | 北京市丰台区科技园区星火路8号 |
专利法律状态
2023-06-27
授权
状态信息
授权
2021-07-13
实质审查的生效
状态信息
实质审查的生效;IPC(主分类):G01R19/25;申请日:20210311
2021-06-25
公布
状态信息
公布
摘要
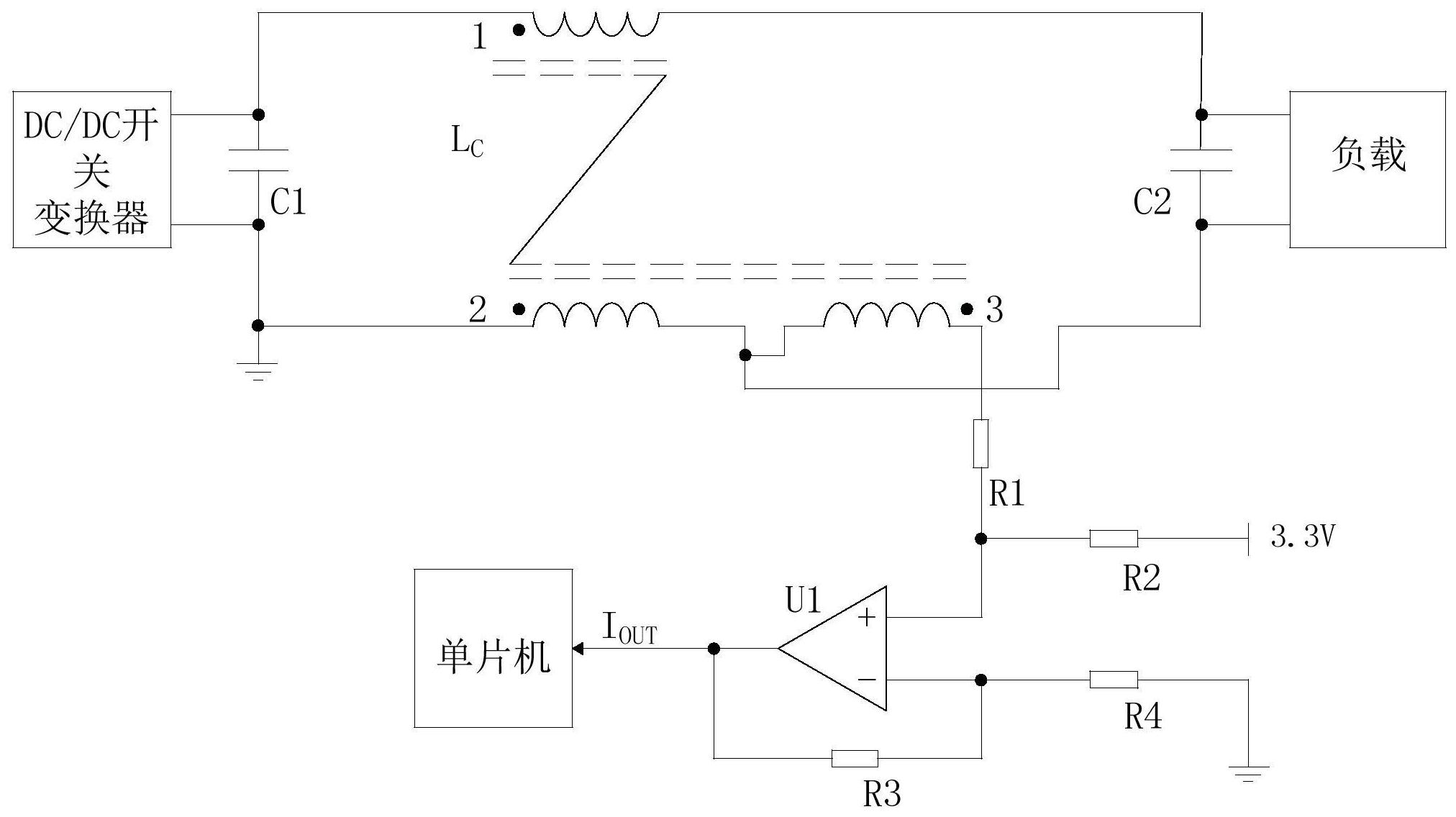
本发明一个或多个实施例公开一种电流检测电路及电流检测方法,其中,电流检测电路包括:DC/DC开关变换器、负载、滤波器电路、放大电路以及处理器;所述滤波器电路连接于所述DC/DC开关变换器以及所述负载之间;所述滤波器电路包括电感、第一电容以及第二电容;其中,所述电感包括第一绕组、第二绕组以及第三绕组,所述第一绕组和所述第二绕组对称的绕制在环形磁芯上、所述第一绕组、所述第二绕组以及所述第三绕组尺寸相同、匝数相同,所述第三绕组设置于所述第二绕组一侧;所述第三绕组的同名端与所述放大电路的输入端相连,所述放大电路的输出端与所述处理器相连,该电流检测电路可有效降低电流检测成本。


