授权公布号:CN217677413U
一种山茶油冷却装置
有效
申请
2021-12-17
申请公布
1970-01-01
授权
2022-10-28
预估到期
2031-12-17
| 申请号 | CN202123187106.1 |
| 申请日 | 2021-12-17 |
| 授权公布号 | CN217677413U |
| 授权公告日 | 2022-10-28 |
| 分类号 | C11B3/16;B01F27/112;B01F27/90;B01F35/90;B01F35/93;F28D9/00;B01F101/40N |
| 分类 | 动物或植物油、脂、脂肪物质或蜡;由此制取的脂肪酸;洗涤剂;蜡烛; |
| 申请人名称 | 浙江常发粮油食品有限公司 |
| 申请人地址 | 浙江省衢州市常山县金川街道翁佳路5号 |
专利法律状态
2023-06-06
专利权质押合同登记的生效、变更及注销
状态信息
专利权质押合同登记的生效;IPC(主分类):C11B3/16;登记号:Y2023980040982;登记生效日:20230518;出质人:浙江常发粮油食品有限公司;质权人:浙江泰隆商业银行股份有限公司衢州常山支行;实用新型名称:一种山茶油冷却装置;申请日:20211217;授权公告日:20221028
2022-10-28
授权
状态信息
授权
摘要
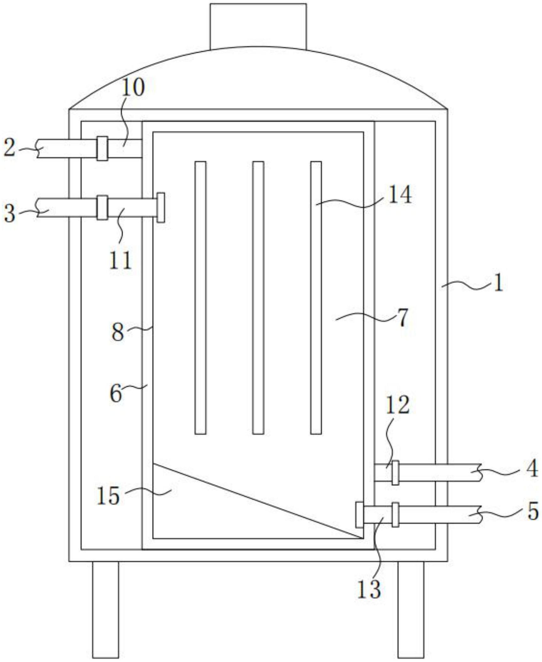
本实用新型提供一种山茶油冷却装置。所述山茶油冷却装置,包括外壳,所述外壳的左侧分别设置有热油进管和冷油进管,所述外壳的右侧分别设置有热油出管和冷油出管,所述外壳内壁的底部固定连接有冷却箱,所述冷却箱内壁顶部和底部之间固定连接有换热板,所述冷却箱的内部通过换热板分隔为第一腔室和第二腔室,所述冷却箱的左侧分别设置有第一接头和第二接头。本实用新型提供的山茶油冷却装置,通过第一腔室内的冷山茶油和第二腔室内的热山茶油进行换热,能够对热山茶油进行冷却降温,相比于室温冷却提高了冷却的效率,同时热山茶油能够对未加工的冷山茶油进行预热,大大节省了使用的能耗,从而节约了加工成本。


