授权公布号:CN204874449U
一种平转油脂浸出机
有效
申请
2015-08-24
申请公布
1970-01-01
授权
2015-12-16
预估到期
2025-08-24
| 申请号 | CN201520637442.7 |
| 申请日 | 2015-08-24 |
| 授权公布号 | CN204874449U |
| 授权公告日 | 2015-12-16 |
| 分类号 | C11B1/10 |
| 分类 | 动物或植物油、脂、脂肪物质或蜡;由此制取的脂肪酸;洗涤剂;蜡烛; |
| 申请人名称 | 江西绿海油脂有限公司 |
| 申请人地址 | 江西省吉安市永丰县桥南工业园 |
专利法律状态
2015-12-16
授权
状态信息
授权
摘要
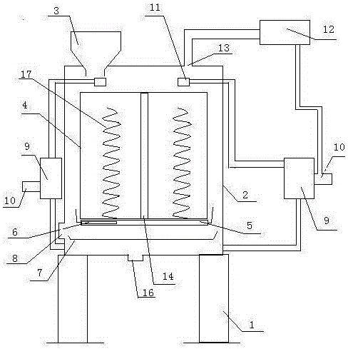
本实用新型公开了一种平转油脂浸出机,主要包括底座、本体、反应室、溶剂泵、溶剂喷头和冷凝器;所述的本体为圆柱形,上方设有加料口、下方设有出渣口和出油口,内部装有反应室;所述的反应室为圆柱形,可在电机带动下绕其中间转轴转动,反应室内设置若干个扇形的浸出格,反应室上方装有溶剂喷头,反应室下方设置有油料挡板,油料挡板上设有下料口,油料挡板下方安装有筛网;本体上部设有排气口,排气口通过管道连接至冷凝器,其特征在于所述的浸出格中安装螺旋搅拌器,其可在电机的带动下,将浸出格中的油料向上翻动。本实用新型的浸出格中安装螺旋搅拌器,可以防止结饼,使油料和溶剂充分接触,提升浸提的出油率。


